Запчасти Case IH PUMA 150 (88.100.35[03]) - DIA KIT, CONTROL VALVE SECTION, SUPPORT (88) - ACCESSORIES

Схема запчастей Case IH PUMA 150 - (88.100.35[03]) - DIA KIT, CONTROL VALVE SECTION, SUPPORT (88) - ACCESSORIES
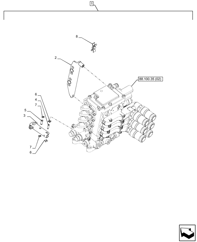
3
6
2
8
7
4
7
1
6
88.100.35 (02)
5
FIT
1:1
100%

Артикул

Название

Примечание

Количество

1

710020034

DIA KIT, TRACTOR

3 to 4 Additional Mechanical Remote Valve, Incl 2 - 7

1шт.

To See Full DIA KIT Composition Look for all the Figures Where the DIA KIT P/N Is Shown

1шт.

2

84486546

BRACKET

1шт.

3

87358094

LEVER

1шт.

4

5113008

PIN,8mm OD x 26mm L

1шт.

5

5193177

PIN,6mm OD x 29.48mm L

1шт.

6

11065676

SNAP RING,M8, Ext

2шт.

7

11063971

SPRING CLIP,M6

2шт.

8

5191951

CLAMP,3 Hoses

1шт.

Выбрано товаров: 9