Запчасти Case IH PUMA 150 (88.100.35[04]) - DIA KIT, CONTROL VALVE SECTION, MOUNTING (88) - ACCESSORIES

Схема запчастей Case IH PUMA 150 - (88.100.35[04]) - DIA KIT, CONTROL VALVE SECTION, MOUNTING (88) - ACCESSORIES
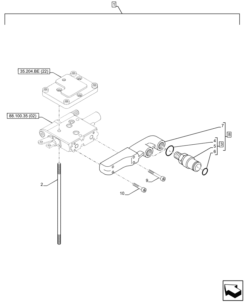
35.204.be (22)
7
1
3
10
4
5
2
6
9
8
88.100.35 (02)
FIT
1:1
100%

Артикул

Название

Примечание

Количество

1

710020034

DIA KIT, TRACTOR

3 to 4 Additional Mechanical Remote Valve, Incl 2 - 10

1шт.

To See Full DIA KIT Composition Look for all the Figures Where the DIA KIT P/N Is Shown

1шт.

2

47129476

THREADED TIE-ROD,M8

3шт.

3

47370116

COUPLING

ASSY, incl 4 - 6

2шт.

4

14438085

O-RING,19.3mm ID x 2.4mm

2шт.

5

NSS

NOT SOLD SEPARAT

Body, Incl in 3

2шт.

6

87382012

SEAL KIT

2шт.

7

NSS

NOT SOLD SEPARAT

Support, Incl in 8

1шт.

8

87381965

QUICK MALE COUPLING

ASSY, Incl 3 - 7

1шт.

9

14306071

SCREW,M6 x 50mm, Cl 12.9

2шт.

10

14305671

SCREW,M6 x 35mm, Cl 12.9

2шт.

Выбрано товаров: 11