Запчасти Case IH PUMA 150 (88.100.35[05]) - DIA KIT, CONTROL VALVE SECTION, CONTROL LEVER (88) - ACCESSORIES

Схема запчастей Case IH PUMA 150 - (88.100.35[05]) - DIA KIT, CONTROL VALVE SECTION, CONTROL LEVER (88) - ACCESSORIES
8
10
4
12
11
5
7
9
6
3
4
2
1
FIT
1:1
100%

Артикул

Название

Примечание

Количество

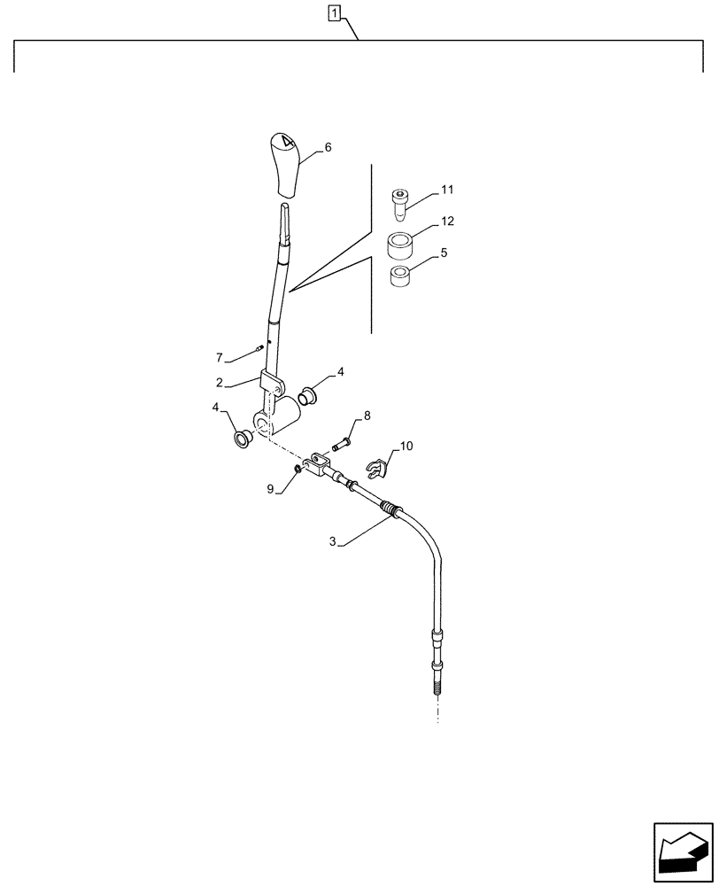
1

710020034

DIA KIT, TRACTOR

3 to 4 Additional Mechanical Remote Valve, Incl 2 - 12

1шт.

To See Full DIA KIT Composition Look for all the Figures Where the DIA KIT P/N Is Shown

1шт.

2

84373782

LEVER

1шт.

3

87678198

CABLE,1828mm L

1шт.

4

82035633

BUSHING

2шт.

5

84186770

INSERT

1шт.

6

82037913

KNOB

1шт.

7

87492515

SPRING LOCK

1шт.

8

82036373

CLEVIS PIN,5.96mm OD x 18.5mm L

1шт.

9

86632599

CIRCLIP,M5

1шт.

10

82007837

LOCKING RING

1шт.

11

84186764

LOCK PIN

1шт.

12

84186773

LOCK PIN

1шт.

Выбрано товаров: 13