Качественные детали и логистика
Оригинальные и аналоговые запчасти с доставкой по России, Казахстану и Беларуси
©2022 PartSell ООО "Система" ИНН 2463123282 ОГРН 1212400004838
Центральный офис: г. Красноярск, Академика Киренского, д.87, пом.4
Телефон: 8 (800) 777-65-74 Email: zakaz@partsell.ru
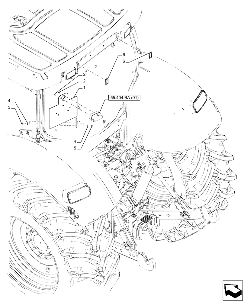
(88.100.AC[01]) - LICENSE PLATE LIGHT, HOLDER
№
Артикул
Название
Примечание
Количество
1
84529865
BRACKET
Licence Plate, Low Mount
1шт.
2
15687201
SELF-TAP SCREW,Cross Pan Hd, M3.5 x 13mm
2шт.
3
10902421
SCREW,Hex, M6 x 20mm, Cl 8.8
4
14496401
WASHER,M6.4 x 12.00mm x 1.60mm
4шт.
5
15896211
NUT,M6, Cl 8
6
5151033
PLASTIC PLUG
Выбрано товаров: 0