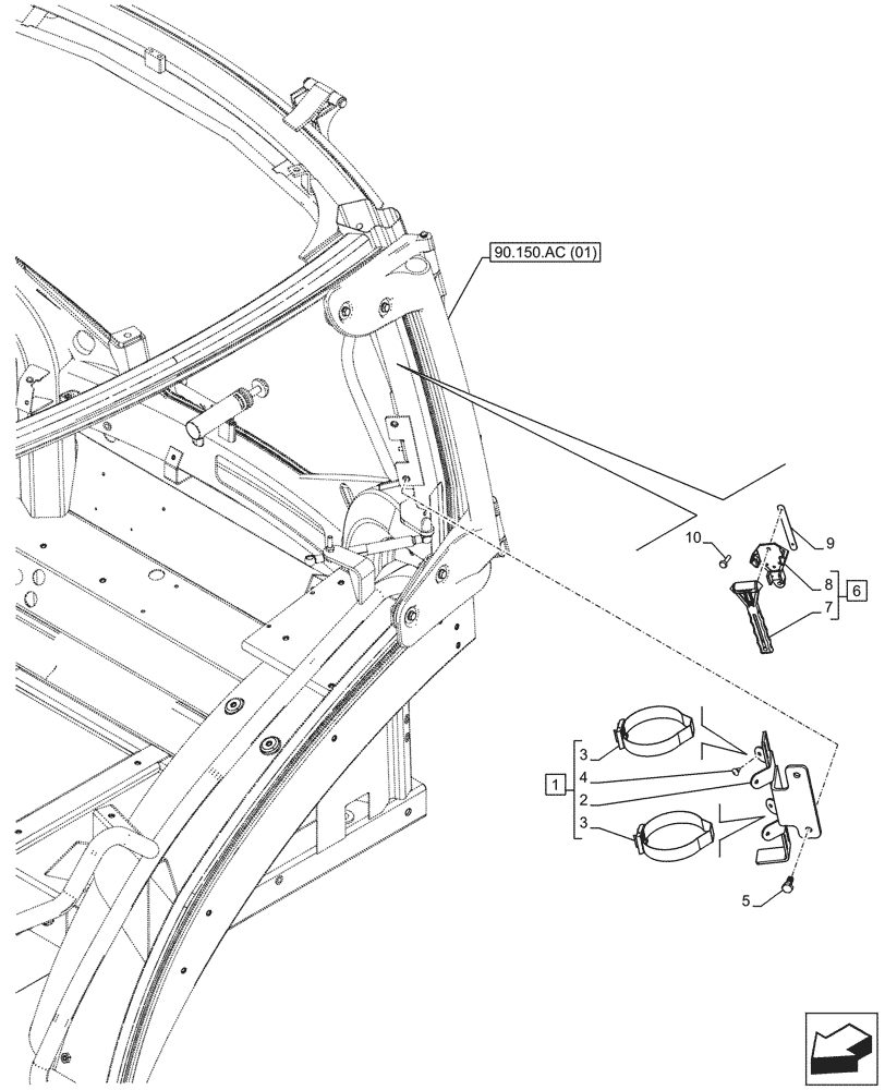
Запчасти Case IH PUMA 150 (88.130.AA[03]) - VAR - 758664, 758665, 758667, 758669 - FIRE EXTINGUISHER, SUPPORT, HAMMER (88) - ACCESSORIES

Схема запчастей Case IH PUMA 150 - (88.130.AA[03]) - VAR - 758664, 758665, 758667, 758669 - FIRE EXTINGUISHER, SUPPORT, HAMMER (88) - ACCESSORIES
1
8
90.150.ac (01)
5
3
4
7
6
9
10
2
3
FIT
1:1
100%

Артикул

Название

Примечание

Количество

1

47738969

BRACKET

ASSY, Incl 2 - 4

1шт.

2

NSS

NOT SOLD SEPARAT

Bracket, Incl in 1

1шт.

3

84277341

BRACKET

2шт.

4

14567080

FASTENER,Stud, Ribbed, 5.50mm x 4mm x 1mm, Plastic

4шт.

5

11106221

SCREW,Hex, M10 x 25mm, Cl 8.8, Full Thd

2шт.

6

84295552

HAMMER

ASSY, Incl 7, 8

1шт.

7

84302275

HAMMER

1шт.

8

84302276

BRACKET, SUPPORTING

1шт.

9

84370111

MOUNTING PLATE

1шт.

10

14641591

RIVET,Pop, Truss Hd, M3.20 x 12mm, AL, PLN

2шт.

Выбрано товаров: 10