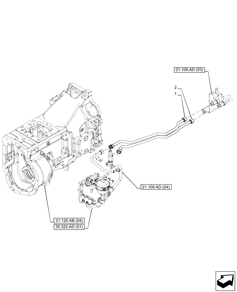
Запчасти Case IH PUMA 150 (21.109.AD[01]) - VAR - 391136, 391351, 758011, 758012, 758013, 758014, 758015 - TRANSMISSION, OIL COOLER, LINE (21) - TRANSMISSION

Схема запчастей Case IH PUMA 150 - (21.109.AD[01]) - VAR - 391136, 391351, 758011, 758012, 758013, 758014, 758015 - TRANSMISSION, OIL COOLER, LINE (21) - TRANSMISSION
21.109.ad (04)
1
2
21.109.ad (03)
21.120.ab (04)
35.322.ad (01)
FIT
1:1
100%

Артикул

Название

Примечание

Количество

1

47451550

HYD TUBE

Oil Cooler Feed

1шт.

2

47451556

HYD TUBE

Oil Cooler Return

1шт.

Выбрано товаров: 0