Запчасти Case IH PUMA 150 (21.109.AD[02]) - VAR - 758016, 758017, 758018, 758019, 758020, 758021 - TRANSMISSION, OIL COOLER, LINE (21) - TRANSMISSION

Схема запчастей Case IH PUMA 150 - (21.109.AD[02]) - VAR - 758016, 758017, 758018, 758019, 758020, 758021 - TRANSMISSION, OIL COOLER, LINE (21) - TRANSMISSION
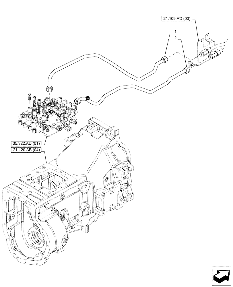
35.322.ad (01)
2
1
21.109.ad (03)
21.120.ab (04)
FIT
1:1
100%

Артикул

Название

Примечание

Количество

1

47448766

HYD TUBE

Oil Cooler Feed

1шт.

2

47604344

PIPE

Oil Cooler Return

1шт.

Выбрано товаров: 2