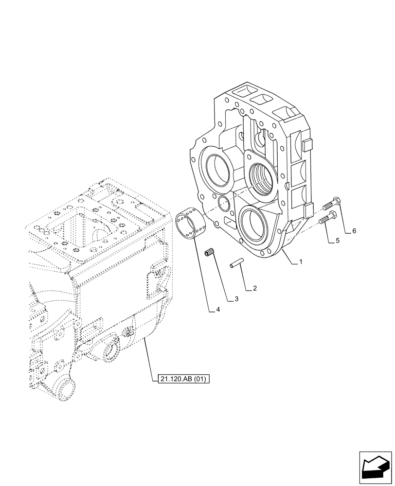
Запчасти Case IH PUMA 150 (21.120.AB[03]) - VAR - 391136, 391351, 758011, 758012, 758013, 758014, 758015 - GEARBOX, POWERSHIFT (21) - TRANSMISSION

Схема запчастей Case IH PUMA 150 - (21.120.AB[03]) - VAR - 391136, 391351, 758011, 758012, 758013, 758014, 758015 - GEARBOX, POWERSHIFT (21) - TRANSMISSION
21.120.ab (01)
2
6
4
3
5
1
FIT
1:1
100%

Артикул

Название

Примечание

Количество

1

5183810

SPACER

1шт.

2

4985062

DOWEL,15mm OD x 25mm L

2шт.

3

10275501

PLUG,Pipe, Hex Skt, M12 x 1.25 x 11mm, Cl 4.8

1шт.

4

5189018

BUSHING,90.02mm ID x 100.05mm OD x 52.5mm L

1шт.

5

11422034

BOLT,Hex, M15 x 55mm, Class 10.9

12шт.

6

11227034

SCREW,Hex, M14 x 1.5 x 65mm, Cl 10.9

M14 x 1.5 x 65mm

2шт.

Выбрано товаров: 6