Запчасти Case IH PUMA 150 (21.506.AI[01]) - VAR - 391136, 391351, 758011, 758012, 758013, 758014, 758015, 758867 - TRANSMISSION, SUPPLY LINE (21) - TRANSMISSION

Схема запчастей Case IH PUMA 150 - (21.506.AI[01]) - VAR - 391136, 391351, 758011, 758012, 758013, 758014, 758015, 758867 - TRANSMISSION, SUPPLY LINE (21) - TRANSMISSION
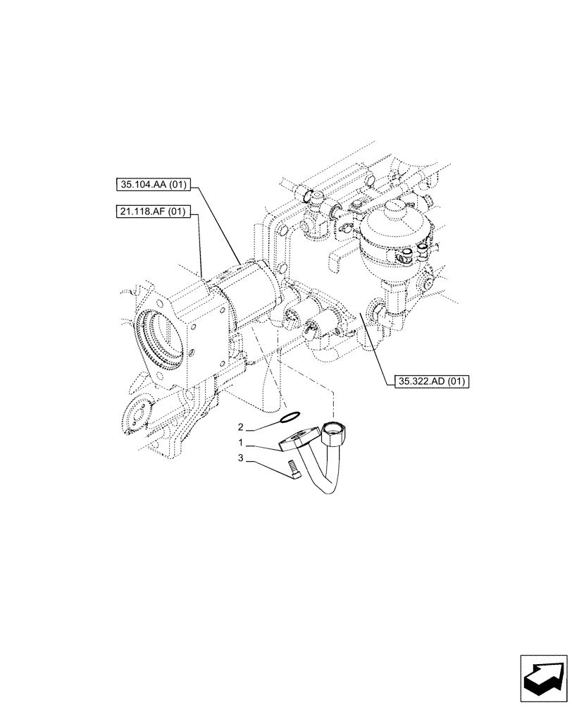
35.322.ad (01)
2
1
3
21.118.af (01)
35.104.aa (01)
FIT
1:1
100%

Артикул

Название

Примечание

Количество

1

47447823

PIPE

Supply

1шт.

2

14457580

O-RING,0.103" Thk x 0.799" ID, -117, Cl 5, 75 Duro

1шт.

3

14359221

HEX SOC SCREW,M8 x 22mm, Cl 8.8, Full Thd

4шт.

Выбрано товаров: 3