Запчасти Case IH PUMA 150 (21.506.AI[02]) - VAR - 758016, 758017, 758018, 758019, 758020, 758021 - TRANSMISSION, INLINE (21) - TRANSMISSION

Схема запчастей Case IH PUMA 150 - (21.506.AI[02]) - VAR - 758016, 758017, 758018, 758019, 758020, 758021 - TRANSMISSION, INLINE (21) - TRANSMISSION
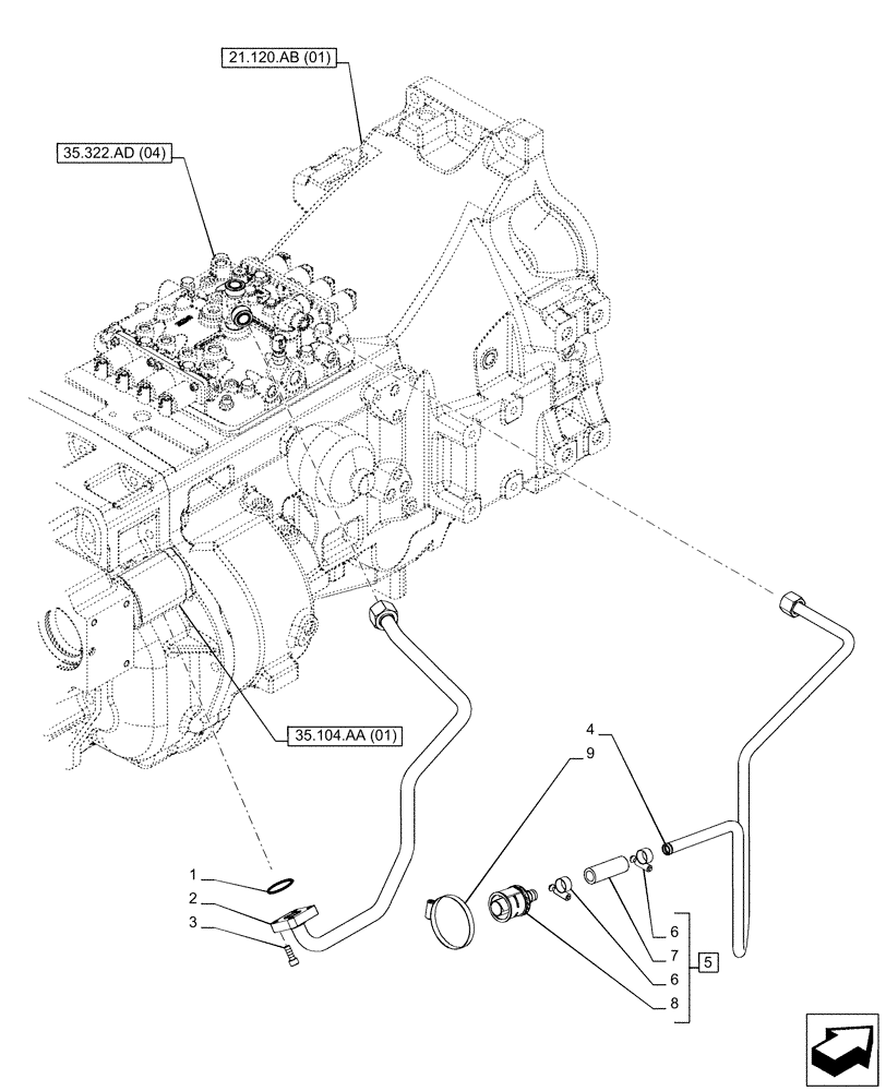
35.104.aa (01)
7
5
6
3
9
2
1
4
8
6
21.120.ab (01)
35.322.ad (04)
FIT
1:1
100%

Артикул

Название

Примечание

Количество

1

14457580

O-RING,0.103" Thk x 0.799" ID, -117, Cl 5, 75 Duro

1шт.

2

47444744

PIPE

Supply

1шт.

3

14359221

HEX SOC SCREW,M8 x 22mm, Cl 8.8, Full Thd

4шт.

4

84352738

HYD TUBE

Valve

1шт.

5

84352585

HYD CONNECTOR

ASSY, Incl 6 - 8

1шт.

6

82039344

HOSE CLAMP,20mm - 32mm

2шт.

7

84352586

HOSE,15.9mm ID x 70mm L, SAE 100R6

1шт.

8

87330801

HYD CONNECTOR,21mm D x 12.5mm D

1шт.

9

13001090

HOSE CLAMP,70mm - 90mm, Worm Gear

1шт.

Выбрано товаров: 9