Запчасти Case IH PUMA 150 (27.100.AB[02]) - VAR - 391136, 391351, 758012, 758014 - TRANSMISSION, SUPPORT, POWERSHIFT (27) - REAR AXLE SYSTEM

Схема запчастей Case IH PUMA 150 - (27.100.AB[02]) - VAR - 391136, 391351, 758012, 758014 - TRANSMISSION, SUPPORT, POWERSHIFT (27) - REAR AXLE SYSTEM
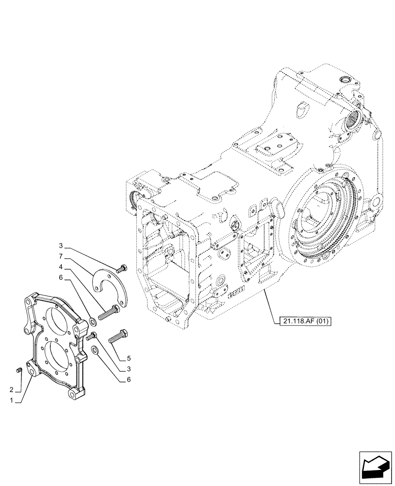
21.118.af (01)
7
4
3
5
2
3
1
6
6
FIT
1:1
100%

Артикул

Название

Примечание

Количество

1

5164785

SUPPORT

1шт.

2

10839710

DOWEL,M10 x 15.00mm

2шт.

3

14233424

BOLT,Hex, M10 x 1.25 x 25mm, Cl 8.8, Full Thd

11шт.

4

11227024

BOLT,Hex, M14 x 1.5 x 65, 8.8

4шт.

5

11422024

BOLT,Hex, M14 x 55, 8.8

2шт.

6

11194174

BELLEVILLE WASHER,M14 Bolt Size x 27mm OD x 3mm Thk

6шт.

7

5143257

PLATE

Rear

1шт.

Выбрано товаров: 7