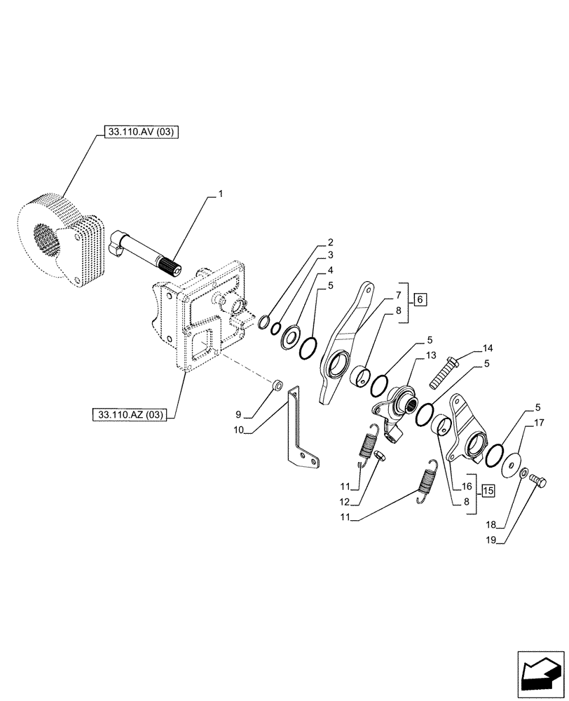
Запчасти Case IH PUMA 150 (33.110.BA[03]) - VAR - 758034 - PARKING BRAKE, LEVER (33) - BRAKES & CONTROLS

Схема запчастей Case IH PUMA 150 - (33.110.BA[03]) - VAR - 758034 - PARKING BRAKE, LEVER (33) - BRAKES & CONTROLS
33.110.av (03)
5
11
19
11
3
2
14
6
1
10
9
4
5
15
8
12
5
18
16
5
7
17
13
8
33.110.az (03)
FIT
1:1
100%

Артикул

Название

Примечание

Количество

1

87740212

LEVER

1шт.

2

5198146

SHIM,28.1mm ID x 31.9mm OD x 4mm Thk

1шт.

3

14458080

O-RING,0.103" Thk x 1.11" ID, -122, Cl 5, 75 Duro

1шт.

4

87689269

SHIM,28mm ID x 59mm OD x 3.7mm Thk

1шт.

5

14455080

O-RING,50.52mm ID x 1.78mm

4шт.

6

87689320

BRAKE LEVER

ASSY, Incl 7, 8 (Q.ty 1)

1шт.

7

NSS

NOT SOLD SEPARAT

Lever, Incl in 6

1шт.

8

87689278

BUSHING,40mm ID x 44mm OD x 20mm L

2шт.

9

87754139

SPACER,11mm ID x 20mm OD x 8mm L

1шт.

10

87751900

SUPPORT

1шт.

11

5127295

SPRING,Extension, 24mm OD x 100mm L

2шт.

12

10791414

THIN NUT,M16 x 1.5

1шт.

13

87689271

HUB

1шт.

14

87741803

SET SCREW,Hex, M16 x 1.25 x 70mm

1шт.

15

87689319

BRAKE LEVER

ASSY, Incl 8 (Q.ty 1), 16

1шт.

16

NSS

NOT SOLD SEPARAT

Lever, Incl in 15

1шт.

17

87689270

SHIM,12.5mm ID x 59mm OD x 6.7mm Thk

1шт.

18

11190774

BELLEVILLE WASHER,M12 Bolt Size x 24mm OD x 2.8mm Thk

1шт.

19

15540424

SCREW,Hex, M12 x 1.25 x 30mm, Cl 8.8, Full Thd

1шт.

Выбрано товаров: 19