Запчасти Case IH PUMA 150 (33.202.AP[02]) - VAR - 391136, 391351, 758011, 758012, 758013, 758014, 758015, 758016, 758017, 758018, 758019, 758020, 758021 - BRAKE LINE, POWERSHIFT (33) - BRAKES & CONTROLS

Схема запчастей Case IH PUMA 150 - (33.202.AP[02]) - VAR - 391136, 391351, 758011, 758012, 758013, 758014, 758015, 758016, 758017, 758018, 758019, 758020, 758021 - BRAKE LINE, POWERSHIFT (33) - BRAKES & CONTROLS
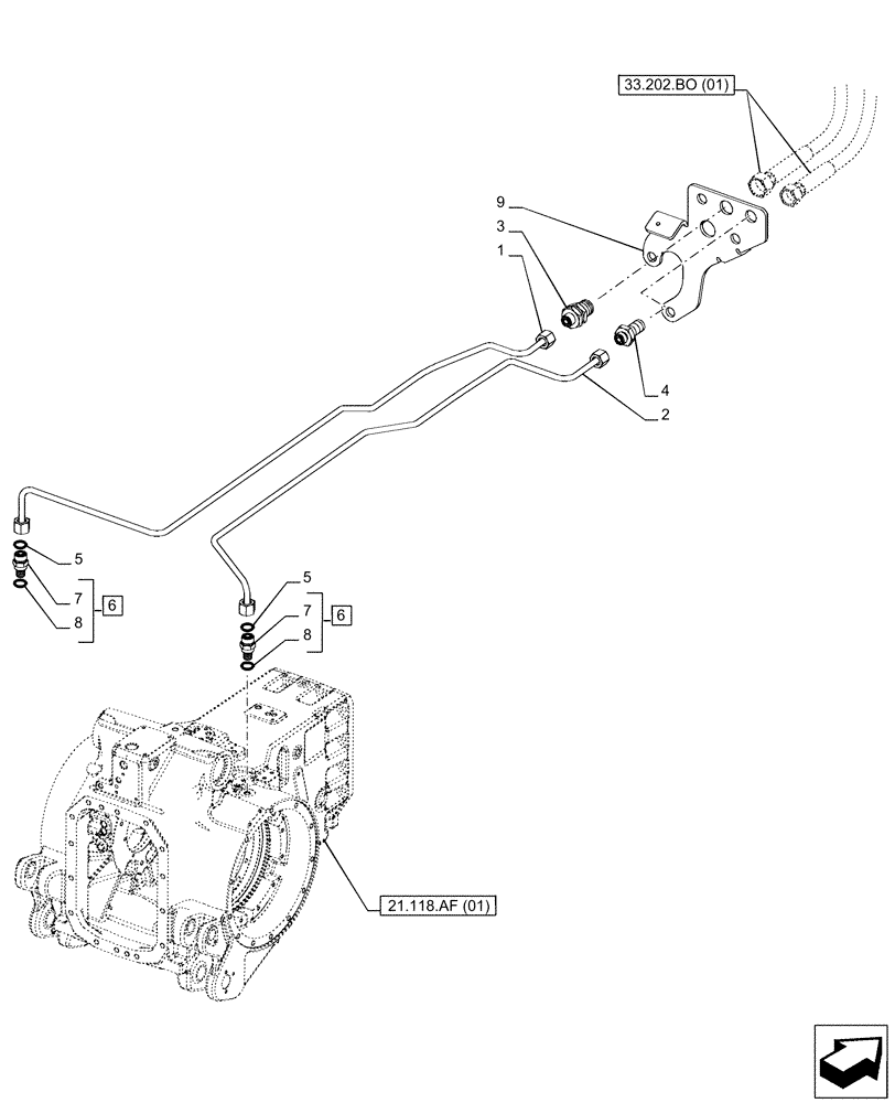
33.202.bo (01)
1
9
6
7
4
8
6
5
8
5
3
7
2
21.118.af (01)
FIT
1:1
100%

Артикул

Название

Примечание

Количество

1

47583881

BRAKE LINE

LH

1шт.

2

47583883

BRAKE LINE

RH

1шт.

3

87711900

HYD CONNECTOR

1шт.

4

86978770

UNION,11/16"-6, ORFS

1шт.

5

5183780

SEALING WASHER,9.73mm ID x 18mm OD x 1.5mm Thk

2шт.

6

47131549

FITTING,M12 x 1.5

ASSY, Incl 7, 8

2шт.

7

NSS

NOT SOLD SEPARAT

Connector, Incl in 6

1шт.

8

5185510

O-RING,1.78mm Thk x 9.25mm ID, 85 Duro

1шт.

9

47664566

BRACKET

Hydraulic Right Interface

1шт.

Выбрано товаров: 9