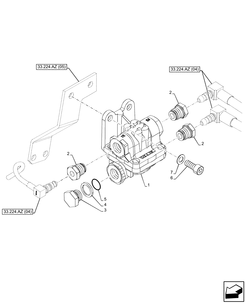
Запчасти Case IH PUMA 150 (33.224.AZ[02]) - VAR - 758038, 758039, 758041, 758042, 758043, 758044 - PNEUMATIC TRAILER BRAKE, QUICK-RELEASE, VALVE (33) - BRAKES & CONTROLS

Схема запчастей Case IH PUMA 150 - (33.224.AZ[02]) - VAR - 758038, 758039, 758041, 758042, 758043, 758044 - PNEUMATIC TRAILER BRAKE, QUICK-RELEASE, VALVE (33) - BRAKES & CONTROLS
33.224.az (05)
1
7
2
2
6
5
3
2
33.224.az (04)
33.224.az (04)
4
FIT
1:1
100%

Артикул

Название

Примечание

Количество

1

84157669

VALVE

1шт.

2

87588079

HYD CONNECTOR,M16 x 1.5

3шт.

3

84157695

PLUG,Hex, M16 x 1.5 x 17mm L

1шт.

4

86010343

WASHER,Backing, 16.10mm, 19.50mm ID x 22.00mm OD x 2.60mm

1шт.

5

87392491

O-RING,2.5mm Thk x 14mm ID

1шт.

6

14306324

HEX SOC SCREW,M8 x 1.25 x 20mm, Cl 8.8, Full Thd

2шт.

7

10516679

LOCK WASHER,Helical Spring, 8.20mm ID x 14.80mm OD x 2.20mm, C72, ZNM

2шт.

Выбрано товаров: 7