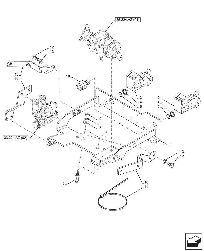
Запчасти Case IH PUMA 150 (33.224.AZ[07]) - VAR - 758038, 758039 - PNEUMATIC TRAILER BRAKE, BRACKET, UNIVERSAL (33) - BRAKES & CONTROLS

Схема запчастей Case IH PUMA 150 - (33.224.AZ[07]) - VAR - 758038, 758039 - PNEUMATIC TRAILER BRAKE, BRACKET, UNIVERSAL (33) - BRAKES & CONTROLS
33.224.az (02)
2
5
13
12
9
5
1
15
12
4
6
16
14
8
4
7
10
35.224.az (01)
11
13
3
FIT
1:1
100%

Артикул

Название

Примечание

Количество

1

84360052

SUPPORT

1шт.

2

82001020

COUPLING

1шт.

3

82001019

COUPLING

1шт.

4

87678124

WASHER,Backing, 16.10mm, 19.50mm ID x 22.00mm OD x 2.60mm

2шт.

5

87678125

O-RING,2mm Thk x 14mm ID, 70 Duro

2шт.

6

84389143

SPACER

3шт.

7

12646701

WASHER,8.15mm ID x 20mm OD x 2mm Thk

3шт.

8

10571779

LOCK WASHER,Helical Spring, 8.10mm ID x 14.80mm OD x 2.00mm, ZNM

3шт.

9

16100811

NUT,Hex, M8, 6.80mm, Cl 8, ZND

3шт.

10

87678128

ADAPTER

2шт.

11

83933061

STRAP

2шт.

12

120104

BOLT,Hex, M8 x 1.25 x 20mm, Cl 8.8

4шт.

13

14496501

WASHER,8.4mm ID x 17mm OD x 1.6mm Thk

4шт.

14

84233091

SUPPORT

1шт.

15

84174774

SUPPORT

1шт.

16

84174772

SUPPORT

1шт.

Выбрано товаров: 16