Запчасти Case IH PUMA 150 (35.204.BJ[01]) - VAR - 391136, 391351, 758011, 758012, 758013, 758014, 758015, 758016, 758017, 758018, 758019, 758020, 758021, 758866, 758867,758868, 758869 - REMOTE CONTROL VALVE, LINE (35) - HYDRAULIC SYSTEMS

Схема запчастей Case IH PUMA 150 - (35.204.BJ[01]) - VAR - 391136, 391351, 758011, 758012, 758013, 758014, 758015, 758016, 758017, 758018, 758019, 758020, 758021, 758866, 758867,758868, 758869 - REMOTE CONTROL VALVE, LINE (35) - HYDRAULIC SYSTEMS
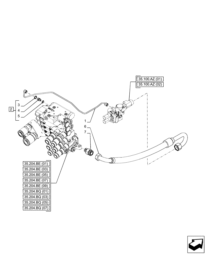
35.204.be (01)
1
5
2
4
3
6
7
35.204.be (07)
35.204.be (09)
35.204.be (05)
35.204.be (03)
35.100.az (02)
35.100.az (01)
35.204.bq (01)
35.204.bq (05)
35.204.bq (07)
35.204.bq (03)
FIT
1:1
100%

Артикул

Название

Примечание

Количество

1

47438574

PIPE

Load Sense

1шт.

2

86593173

HYD CONNECTOR,9/16"-18 ORFS x M12 x 1.5 ORB

ASSY, Incl 3 - 5

1шт.

3

86598098

O-RING,2.2mm Thk x 9.3mm ID, Cl 6, 90 Duro

1шт.

4

NSS

NOT SOLD SEPARAT

Connector, Incl in 2

1шт.

5

9825770

O-RING,0.07" Thk x 0.301" ID, -11, Cl 6, 90 Duro

1шт.

6

47456008

HOSE,25.4mm ID

Supply

1шт.

7

84405439

HYD CONNECTOR,1" 7/16 - 12 - M27 x 2

1шт.

Выбрано товаров: 7