Запчасти Case IH PUMA 150 (35.204.BJ[02]) - VAR - 758045, 758046, 758064, 758065, 758066 - REMOTE CONTROL VALVE, LINE (35) - HYDRAULIC SYSTEMS

Схема запчастей Case IH PUMA 150 - (35.204.BJ[02]) - VAR - 758045, 758046, 758064, 758065, 758066 - REMOTE CONTROL VALVE, LINE (35) - HYDRAULIC SYSTEMS
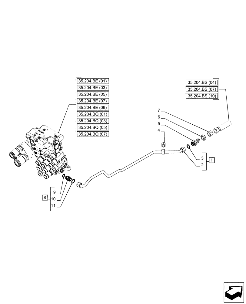
35.204.be (01)
1
9
6
11
3
8
4
10
7
2
5
35.204.be (07)
35.204.be (09)
35.204.be (05)
35.204.be (03)
35.204.bs (07)
35.204.bs (10)
35.204.bs (04)
35.204.bq (01)
35.204.bq (05)
35.204.bq (07)
35.204.bq (03)
FIT
1:1
100%

Артикул

Название

Примечание

Количество

1

47583863

PIPE

ASSY, Incl 2, 3

1шт.

2

NSS

NOT SOLD SEPARAT

Pipe, Incl in 1

1шт.

3

9992298

O-RING,0.07" Thk x 0.489" ID, -14, Cl 6, 90 Duro

1шт.

4

9840575

CAP,13/16" - 16 ORFS

1шт.

5

86978771

UNION,16mm L

1шт.

6

86639085

BHD LOCK NUT,1"-14, Bulkhead

1шт.

7

9840576

CAP,1" - 14 ORFS

1шт.

8

86579680

HYD CONNECTOR,1"-14 ORFS x M22 x 1.5mm ORB

ASSY, Incl 9 - 11

1шт.

9

9992069

O-RING,0.07" Thk x 0.614" ID, -16, Cl 6, 90 Duro

1шт.

10

NSS

NOT SOLD SEPARAT

Connector, Incl in 9

1шт.

11

86598102

O-RING,2.2mm Thk x 19.3mm ID, Cl 6, 90 Duro

1шт.

Выбрано товаров: 11