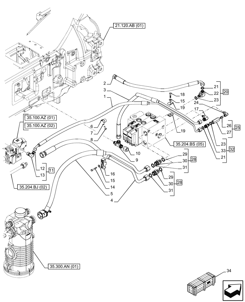
Запчасти Case IH PUMA 150 (35.204.BS[07]) - VAR - 758065 - 2 ELECTRONIC MID MOUNTED VALVES, LINE (35) - HYDRAULIC SYSTEMS

Схема запчастей Case IH PUMA 150 - (35.204.BS[07]) - VAR - 758065 - 2 ELECTRONIC MID MOUNTED VALVES, LINE (35) - HYDRAULIC SYSTEMS
35.100.az (02)
8
22
10
29
12
28
31
15
16
18
34
27
20
5
32
30
17
29
19
19
24
1
3
13
2
4
14
7
25
11
23
21
15
21
33
26
9
28
6
23
30
31
21.120.ab (01)
35.100.az (01)
35.204.bs (05)
35.204.bj (02)
35.300.an (01)
FIT
1:1
100%

Артикул

Название

Примечание

Количество

1

47526830

PIPE

Load Sense

1шт.

2

47526811

PIPE

Servo Supply

1шт.

Only with SEMI Powershift Transmission

1шт.

2

47526777

HOSE

Servo Supply

1шт.

Only with FULL Powershift Transmission

1шт.

3

47526783

PIPE

Servo Return

1шт.

4

47587629

PIPE

Supply

1шт.

5

47526800

PIPE

Return

1шт.

6

86978777

CLAMP,17.5mm, Coat, 7.1mm Bolt Hole, P Type

1шт.

7

86588450

WASHER,6.6mm ID x 12mm OD x 1.6mm Thk

1шт.

8

86508568

BOLT,Hex, M6 x 1 x 16mm, Cl 8.8

1шт.

9

87315465

HYD CONNECTOR,13/16"-16 ORFS x 13/16"-16 ORFS x M16 x 1.5 ORB

1шт.

10

9840575

CAP,13/16" - 16 ORFS

1шт.

11

84989411

ELBOW,90 Degree, 9/16"-18 ORFS x 9/16"-18 Fem Sw

ASSY, Incl 12, 13

1шт.

12

9825770

O-RING,0.07" Thk x 0.301" ID, -11, Cl 6, 90 Duro

1шт.

13

NSS

NOT SOLD SEPARAT

Elbow, Incl in 11

1шт.

14

120102

BOLT,Hex, M6 x 40mm, Cl 8.8

1шт.

15

12646601

WASHER,6.15mm ID x 15mm OD x 1.5mm Thk

2шт.

16

87571442

BRACKET

1шт.

17

84553343

90 ELBOW,11/16"-16 ORFS x M10 X 1 ORB

1шт.

18

43117

SCREW,Hex, M6 x 1.0 x 30mm, Cl 8.8

1шт.

19

47453770

BRACKET

2шт.

20

86579686

90 ELBOW,11/16"-16 ORFS x M14 x 1.5 ORB

ASSY, Incl 21 (Q.ty 1), 22, 23 (Q.ty 1)

1шт.

21

86598099

O-RING,2.2mm Thk x 11.3mm ID, Cl 6

2шт.

22

NSS

NOT SOLD SEPARAT

Elbow, Incl in 20

1шт.

23

9993141

O-RING,0.07" Thk x 0.364" ID, -12, Cl 6, 90 Duro

2шт.

24

47541009

ELBOW,90 Deg, 9/16-18 ORFS x M10 x 1 ORB

1шт.

25

47398420

CHECK VALVE

ASSY, Incl 26, 27

1шт.

26

47398422

CHECK VALVE

1шт.

27

47398421

HYD CONNECTOR,9/16"-18 x M12 x 1.5

1шт.

28

86579680

HYD CONNECTOR,1"-14 ORFS x M22 x 1.5mm ORB

ASSY, Incl 29 - 31

2шт.

29

9992069

O-RING,0.07" Thk x 0.614" ID, -16, Cl 6, 90 Duro

1шт.

30

NSS

NOT SOLD SEPARAT

Connector, Incl in 28

1шт.

31

86598102

O-RING,2.2mm Thk x 19.3mm ID, Cl 6, 90 Duro

1шт.

32

86579671

HYD CONNECTOR,11/16" - 16 ORFS x M14 x 1.5 ORB

ASSY, Incl 21 (Q.ty 1), 23 (Q.ty 1), 33

1шт.

33

NSS

NOT SOLD SEPARAT

Connector, Incl in 32

1шт.

34

719763074

DIA KIT, TRACTOR

Electronic Mid Mount Valve 2 Slice W/ O Joystick, Incl 1 - 33

1шт.

To See Full DIA KIT Composition Look for all the Figures Where the DIA KIT P/N Is Shown

1шт.

Выбрано товаров: 38