Запчасти Case IH PUMA 150 (35.322.AY[03]) - VAR - 391136, 391351, 758011, 758012, 758013, 758014, 758015 - TRANSMISSION, LOW PRESSURE, LINE (35) - HYDRAULIC SYSTEMS

Схема запчастей Case IH PUMA 150 - (35.322.AY[03]) - VAR - 391136, 391351, 758011, 758012, 758013, 758014, 758015 - TRANSMISSION, LOW PRESSURE, LINE (35) - HYDRAULIC SYSTEMS
35.322.ad (01)
1
9
6
3
2
4
10
8
5
7
21.120.ab (04)
FIT
1:1
100%

Артикул

Название

Примечание

Количество

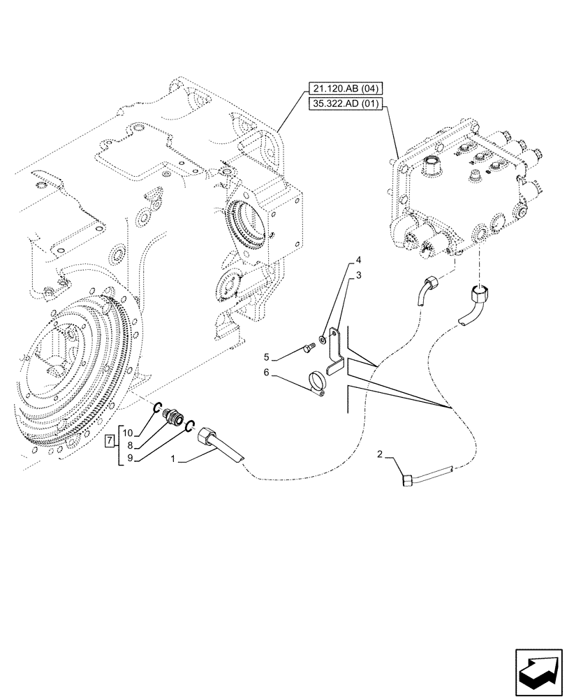
1

47662383

PIPE

4WD Clutch Supply

1шт.

2

47662379

PIPE

Rear Differential Lock

1шт.

3

87519170

BRACKET

1шт.

4

14496521

WASHER,8.4mm ID x 17mm OD x 1.6mm Thk

1шт.

5

86625000

BOLT,Hex, M8 x 18mm, Cl 8.8, Full Thd

2шт.

6

13001690

HOSE CLAMP,Worm Gear, 30mm/45mm x 9mm W, CST, ZND

1шт.

7

5185046

HYD CONNECTOR,1-14 ORFS x M18 x 1.5 ORB

ASSY, Incl 8 - 10

1шт.

8

NSS

NOT SOLD SEPARAT

Connector, Incl in 7

1шт.

9

5185512

O-RING,0.07" Thk x 0.614" ID, -16, Cl 6, 90 Duro

1шт.

10

14437985

O-RING,15.3mm ID x 2.4mm

1шт.

Выбрано товаров: 10