Запчасти Case IH PUMA 150 (35.322.AY[12]) - VAR - 391136, 391351, 758011, 758012, 758013, 758014, 758015 - TRANSMISSION, LOW PRESSURE, LINE (35) - HYDRAULIC SYSTEMS

Схема запчастей Case IH PUMA 150 - (35.322.AY[12]) - VAR - 391136, 391351, 758011, 758012, 758013, 758014, 758015 - TRANSMISSION, LOW PRESSURE, LINE (35) - HYDRAULIC SYSTEMS
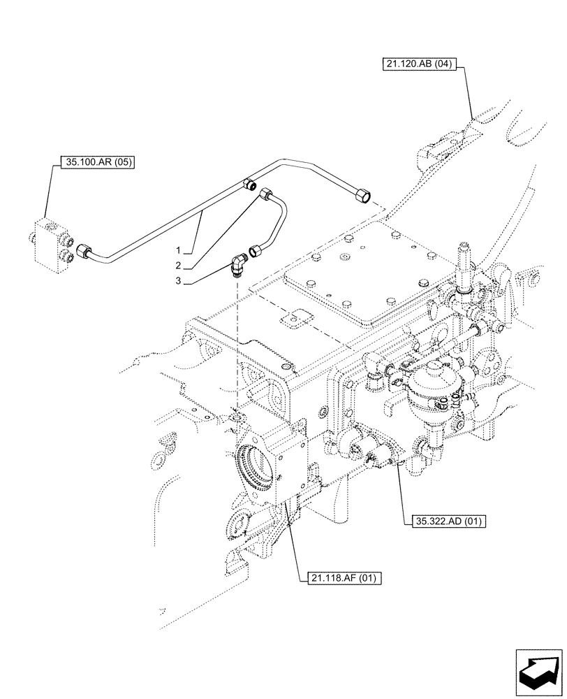
35.322.ad (01)
3
1
2
21.118.af (01)
35.100.ar (05)
21.120.ab (04)
FIT
1:1
100%

Артикул

Название

Примечание

Количество

1

47447902

PIPE

Front Lube

1шт.

2

84404514

TUBE

1шт.

3

84372555

90 ELBOW,11/16"-16 ORFS x M16 x 1.5 ORB

1шт.

Выбрано товаров: 3