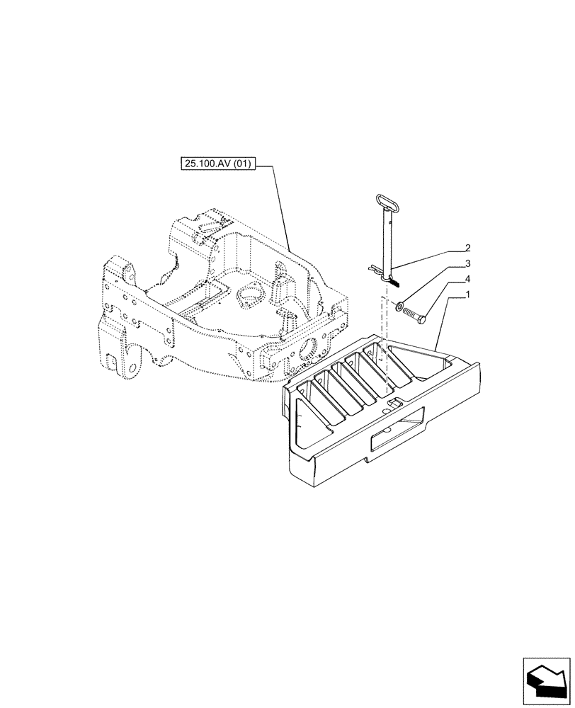
Запчасти Case IH PUMA 150 (39.140.AF[03]) - VAR - 758096 - FRONT WEIGHT, TOW HOOK (1000KG) (39) - FRAMES AND BALLASTING

Схема запчастей Case IH PUMA 150 - (39.140.AF[03]) - VAR - 758096 - FRONT WEIGHT, TOW HOOK (1000KG) (39) - FRAMES AND BALLASTING
25.100.av (01)
3
4
2
1
FIT
1:1
100%

Артикул

Название

Примечание

Количество

1

82031491

WEIGHT CARRIER

1шт.

2

44995060

CLEVIS PIN,31mm OD x 315mm L

1шт.

3

11191774

BELLEVILLE WASHER,M20 Bolt Size x 38mm OD x 4.6mm Thk

6шт.

4

16050821

BOLT,Hex, M20 x 90mm, Cl 8.8

6шт.

Выбрано товаров: 4