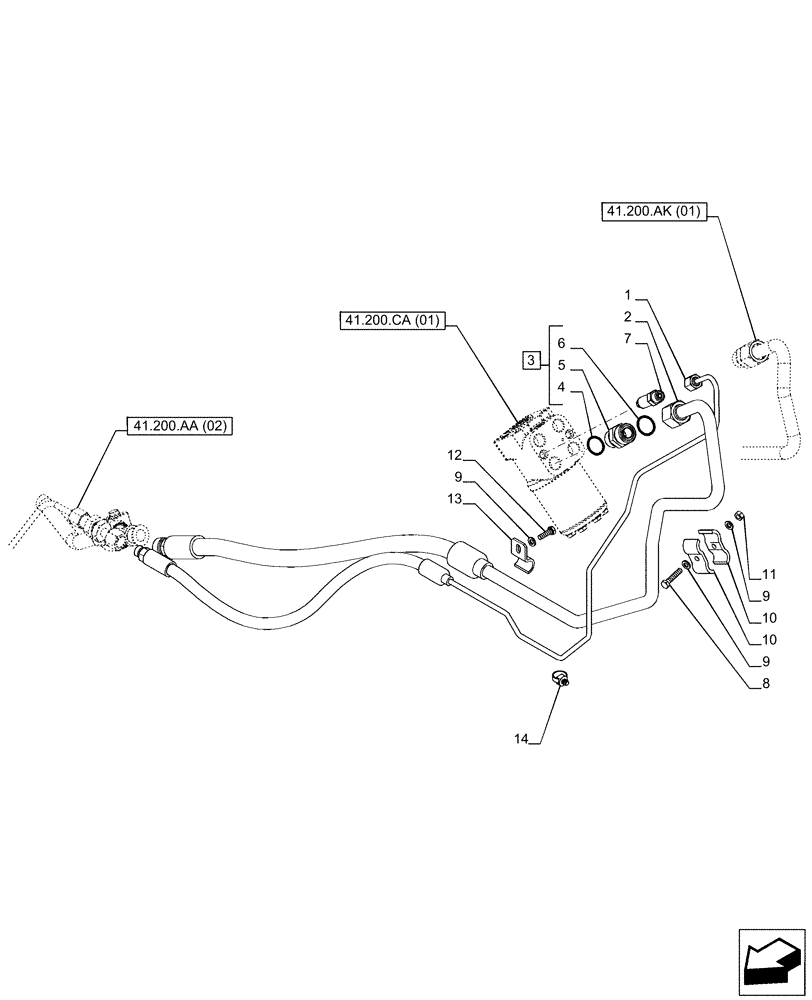
Запчасти Case IH PUMA 150 (41.200.AA[01]) - VAR - 391347 - STEERING VALVE, LINE, PWS (41) - STEERING

Схема запчастей Case IH PUMA 150 - (41.200.AA[01]) - VAR - 391347 - STEERING VALVE, LINE, PWS (41) - STEERING
41.200.ca (01)
12
9
3
9
7
6
4
14
2
10
13
5
9
11
8
1
10
41.200.ak (01)
41.200.aa (02)
FIT
1:1
100%

Артикул

Название

Примечание

Количество

1

47438506

PIPE

LS Steering

1шт.

2

47682256

PIPE

Supply to Steering Motor

1шт.

3

86579680

HYD CONNECTOR,1"-14 ORFS x M22 x 1.5mm ORB

ASSY, Incl 4 - 6

1шт.

4

9992069

O-RING,0.07" Thk x 0.614" ID, -16, Cl 6, 90 Duro

1шт.

5

NSS

NOT SOLD SEPARAT

Connector, Incl in3

1шт.

6

86598102

O-RING,2.2mm Thk x 19.3mm ID, Cl 6, 90 Duro

1шт.

7

87480170

HYD CONNECTOR,9/16" - 18 ORFS x M10 x 1 ORB

1шт.

8

10902921

SCREW,Hex, M6 x 32mm, Cl 8.8

1шт.

9

86588450

WASHER,6.6mm ID x 12mm OD x 1.6mm Thk

3шт.

10

5180153

BRACKET

Fixing Pipes

2шт.

11

9706755

NUT,M6, Cl 8

1шт.

12

120100

BOLT,M6 x 20mm, Cl 8.8

1шт.

13

5178447

BRACKET

Fixing Lubrification Pipes

1шт.

14

87710266

CLIP,6mm

Trailer Brakes

1шт.

Выбрано товаров: 14