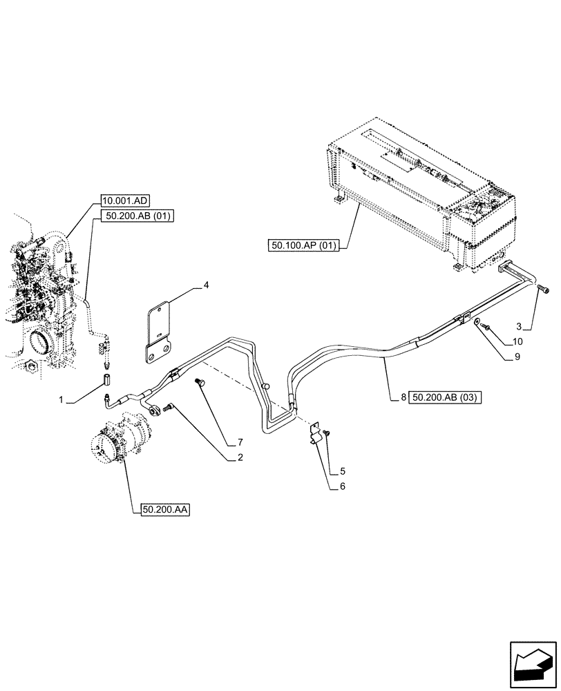
Запчасти Case IH PUMA 150 (50.200.AB[02]) - VAR - 391130 , 392753, 758000 - AIR CONDITIONING, LINE (50) - CAB CLIMATE CONTROL

Схема запчастей Case IH PUMA 150 - (50.200.AB[02]) - VAR - 391130 , 392753, 758000 - AIR CONDITIONING, LINE (50) - CAB CLIMATE CONTROL
50.100.ap (01)
5
8
3
1
10
4
6
2
9
7
50.200.ab (01)
50.200.ab (03)
50.200.aa
10.001.ad
FIT
1:1
100%

Артикул

Название

Примечание

Количество

1

87738978

ADAPTER

1шт.

2

14306321

HEX SOC SCREW,M8 x 20mm, Cl 8.8

1шт.

3

14306421

HEX SOC SCREW,M8 x 1.25 x 25mm, Cl 8.8

1шт.

4

47724725

BRACKET

1шт.

5

83998908

SCREW,Pozidriv Pan Hd, M6 x 12mm, Cl 4.8, Full Thd

1шт.

6

84390314

CLAMP,2 Hoses

1шт.

7

82025437

BOLT,Hex, M14 x 2 x 25mm, Cl 8.8

2шт.

8

47681735

TUBE

ASSY, from Engine to HVAC Unit

1шт.

9

10523401

WASHER,6.15mm ID x 18mm OD x 2mm Thk

1шт.

10

82880748

SCREW,Pozidrive, Pan HD, M6 x 2 x 14mm, Cl 4.8

1шт.

Выбрано товаров: 10