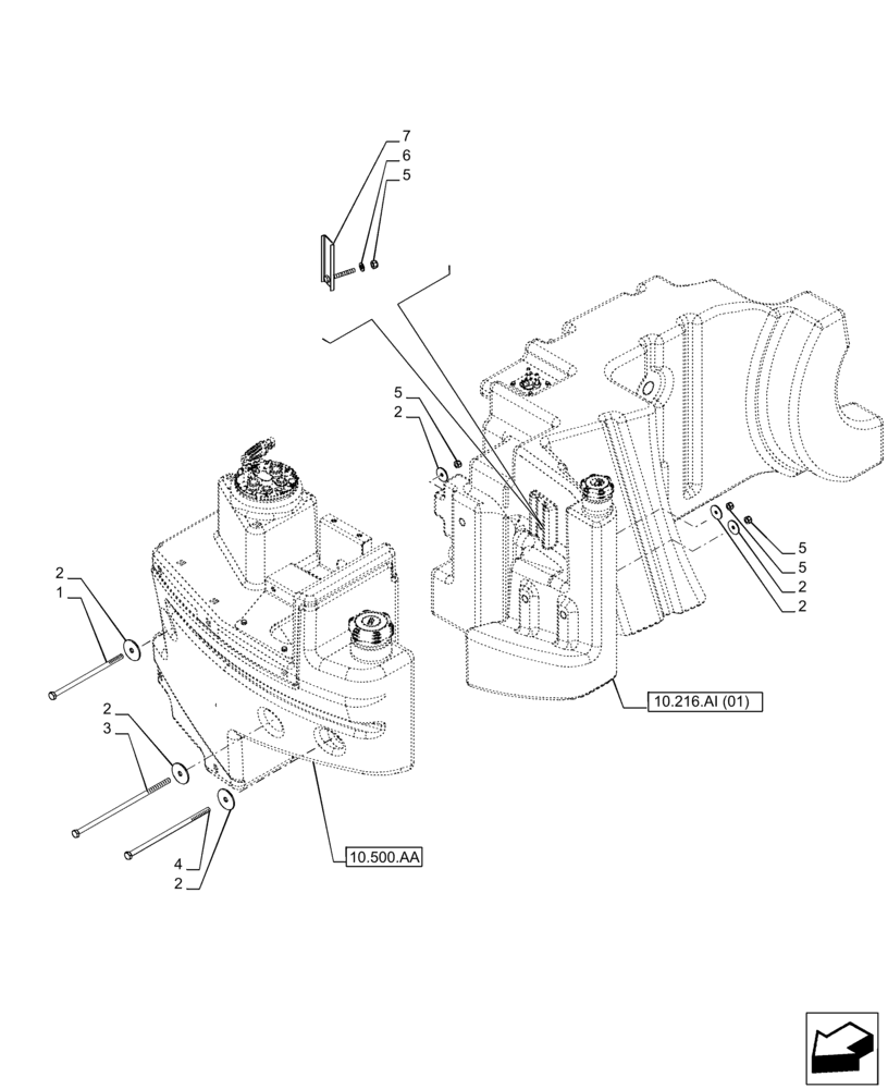
Запчасти Case IH PUMA 165 (10.216.AI[04]) - VAR - 391131, 758001 - FUEL TANK, ASSY (10) - ENGINE

Схема запчастей Case IH PUMA 165 - (10.216.AI[04]) - VAR - 391131, 758001 - FUEL TANK, ASSY (10) - ENGINE
10.500.aa
5
2
4
2
6
2
1
7
5
3
2
2
5
5
2
10.216.ai (01)
FIT
1:1
100%

Артикул

Название

Примечание

Количество

1

2426170

BOLT,Hex, M10 x 1.5 x 235mm, Cl 8.8

1шт.

2

87024930

WASHER,10.8mm ID x 50mm OD x 3mm Thk

6шт.

3

2142046

BOLT,Hex, M10 x 1.5 x 290mm, Cl 10.9

1шт.

4

412702

BOLT,Hex, M10 x 1.5 x 260mm, Cl 8.8

1шт.

5

100037

LOCK NUT,M10 x 1.5, Cl 8

4шт.

6

14496601

WASHER,10.5mm ID x 21mm OD x 2mm Thk

1шт.

7

47460872

PLATE

1шт.

Выбрано товаров: 7