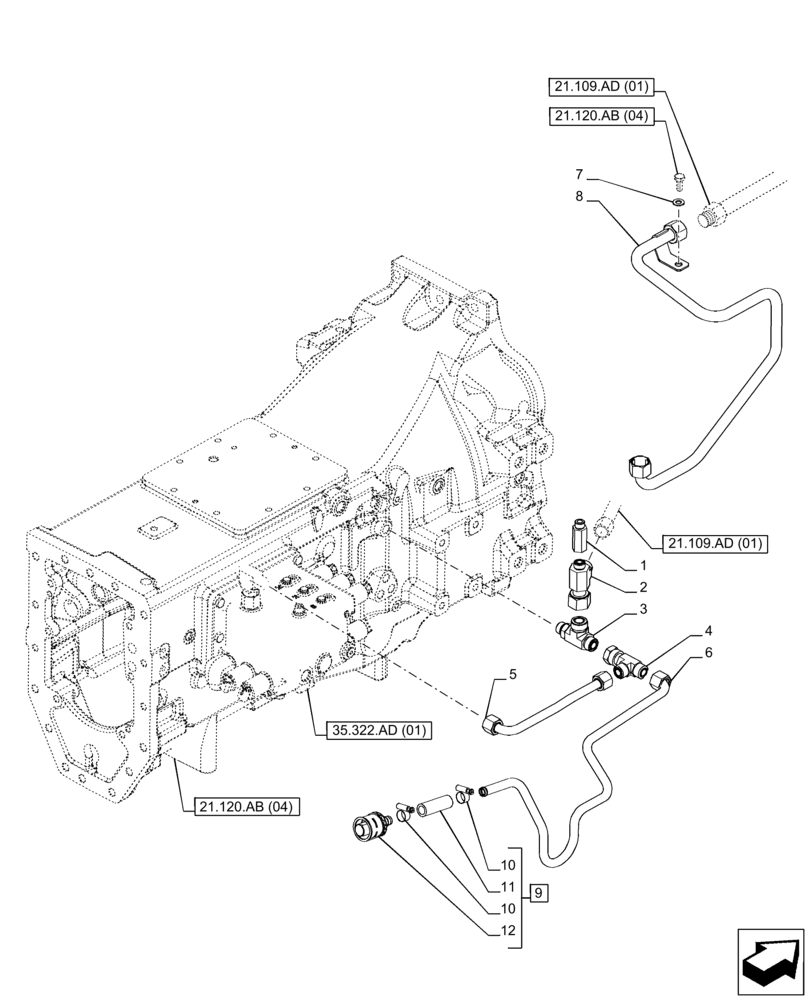
Запчасти Case IH PUMA 165 (21.109.AD[04]) - VAR - 391136, 758011, 758012, 758013, 758014, 758015 - TRANSMISSION, OIL COOLER, LINE (21) - TRANSMISSION

Схема запчастей Case IH PUMA 165 - (21.109.AD[04]) - VAR - 391136, 758011, 758012, 758013, 758014, 758015 - TRANSMISSION, OIL COOLER, LINE (21) - TRANSMISSION
21.109.ad (01)
2
8
1
4
9
11
35.322.ad (01)
10
7
10
21.109.ad (01)
12
6
5
21.120.ab (04)
3
21.120.ab (04)
FIT
1:1
100%

Артикул

Название

Примечание

Количество

1

47131972

ADAPTER

1шт.

2

47452135

TEE,1"3/16-12 ORFS x 13/16"-16 ORFS x 1"3/16-12

1шт.

3

87347550

HYD CONNECTOR,1"14 x 1"3/16 -12 x M22 x 1.5

1шт.

4

47134655

TEE,1"-14 ORFS x 1"-14 ORFS x 1"-14

1шт.

5

84281998

HYD TUBE

Oil Cooler Return

1шт.

6

84352739

HYD TUBE

1шт.

7

14496611

WASHER,10.5mm ID x 21mm OD x 2mm Thk

1шт.

8

84343554

HYD TUBE

Oil Cooler

1шт.

9

84352585

HYD CONNECTOR

ASSY, Incl 10 - 12

1шт.

10

82039344

HOSE CLAMP,20mm - 32mm

2шт.

11

84352586

HOSE,15.9mm ID x 70mm L, SAE 100R6

1шт.

12

87330801

HYD CONNECTOR,21mm D x 12.5mm D

1шт.

Выбрано товаров: 12