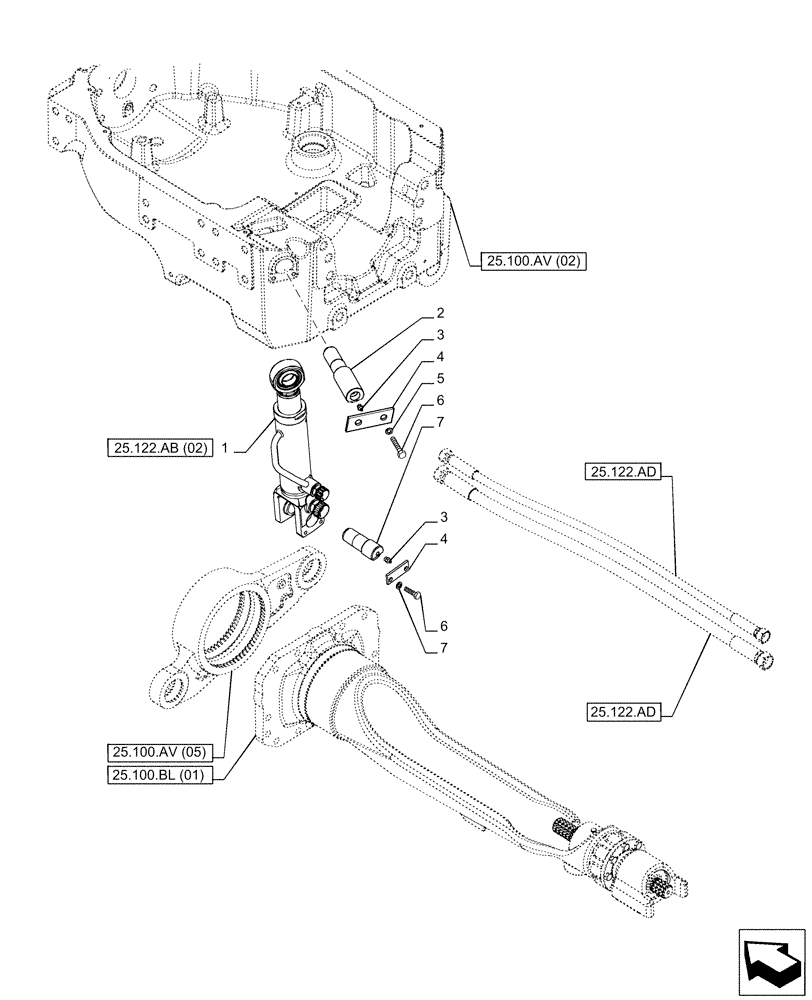
Запчасти Case IH PUMA 165 (25.122.AB[01]) - VAR - 758045, 758046 - FRONT AXLE, SUSPENDED, CYLINDER (25) - FRONT AXLE SYSTEM

Схема запчастей Case IH PUMA 165 - (25.122.AB[01]) - VAR - 758045, 758046 - FRONT AXLE, SUSPENDED, CYLINDER (25) - FRONT AXLE SYSTEM
7
4
25.100.av (05)
25.122.ad
5
25.122.ab (02)
25.100.av (02)
25.122.ad
7
1
6
2
3
6
3
25.100.bl (01)
4
FIT
1:1
100%

Артикул

Название

Примечание

Количество

1

47625388

HYDRAULIC CYLINDER,45mm Rod, 152mm Stroke

Suspended Front Axle

1шт.

2

87340146

PIN,34mm OD x 89.7mm L

Upper

1шт.

3

13407211

LUBE NIPPLE,M10 x 1

2шт.

4

82016870

BRACKET

2шт.

5

85700672

LOCK WASHER,M10

10 x 17.2 x 2.2

4шт.

6

43138

BOLT,Hex, M10 x 1.5 x 20mm, Cl 8.8

4шт.

7

87311698

PIN,34mm OD x 68mm L

Lower

1шт.

Выбрано товаров: 7