Запчасти Case IH PUMA 165 (35.160.AN) - VAR - 758088, 758089, 758090, 758092 - 3 POINT HITCH, FRONT, VALVE (35) - HYDRAULIC SYSTEMS

Схема запчастей Case IH PUMA 165 - (35.160.AN) - VAR - 758088, 758089, 758090, 758092 - 3 POINT HITCH, FRONT, VALVE (35) - HYDRAULIC SYSTEMS
6
7
3
5
37.162.ae (01)
2
7
37.162.ae (02)
2
1
4
3
2
2
FIT
1:1
100%

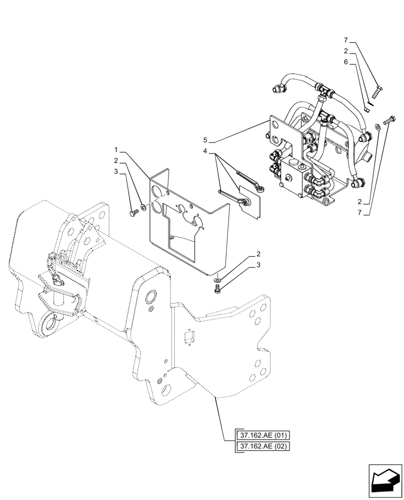
Артикул

Название

Примечание

Количество

1

84281401

SUPPORT

1шт.

2

84603129

BELLEVILLE WASHER,M10 Bolt Size x 22mm OD x 1.6mm Thk

10 x 22 x 1.5

8шт.

3

86637962

BOLT,Hex, M10 x 1.25 x 20mm, Cl 8.8, Full Thd

4шт.

4

84598697

LEVER

1шт.

5

47600837

SERVICE KIT

1шт.

6

18711611

NUT,M10 x 1.25

M10

2шт.

7

87015746

BOLT,Hex, M10 x 35, 8.8, Full Thd

4шт.

Выбрано товаров: 7