Запчасти Case IH PUMA 165 (35.322.AD[01]) - VAR - 391136, 758011, 758012, 758013, 758014, 758015, 758016 - LOW PRESSURE, MANIFOLD (35) - HYDRAULIC SYSTEMS

Схема запчастей Case IH PUMA 165 - (35.322.AD[01]) - VAR - 391136, 758011, 758012, 758013, 758014, 758015, 758016 - LOW PRESSURE, MANIFOLD (35) - HYDRAULIC SYSTEMS
13
15
19
2
6
17
10
25
6
55.024.ah (04)
35.322.bd (01)
12
22
13
16
6
35.322.ad (02)
11
23
14
9
14
3
1
18
24
4
21
20
35.322.ad (03)
5
7
8
55.024.ah (04)
FIT
1:1
100%

Артикул

Название

Примечание

Количество

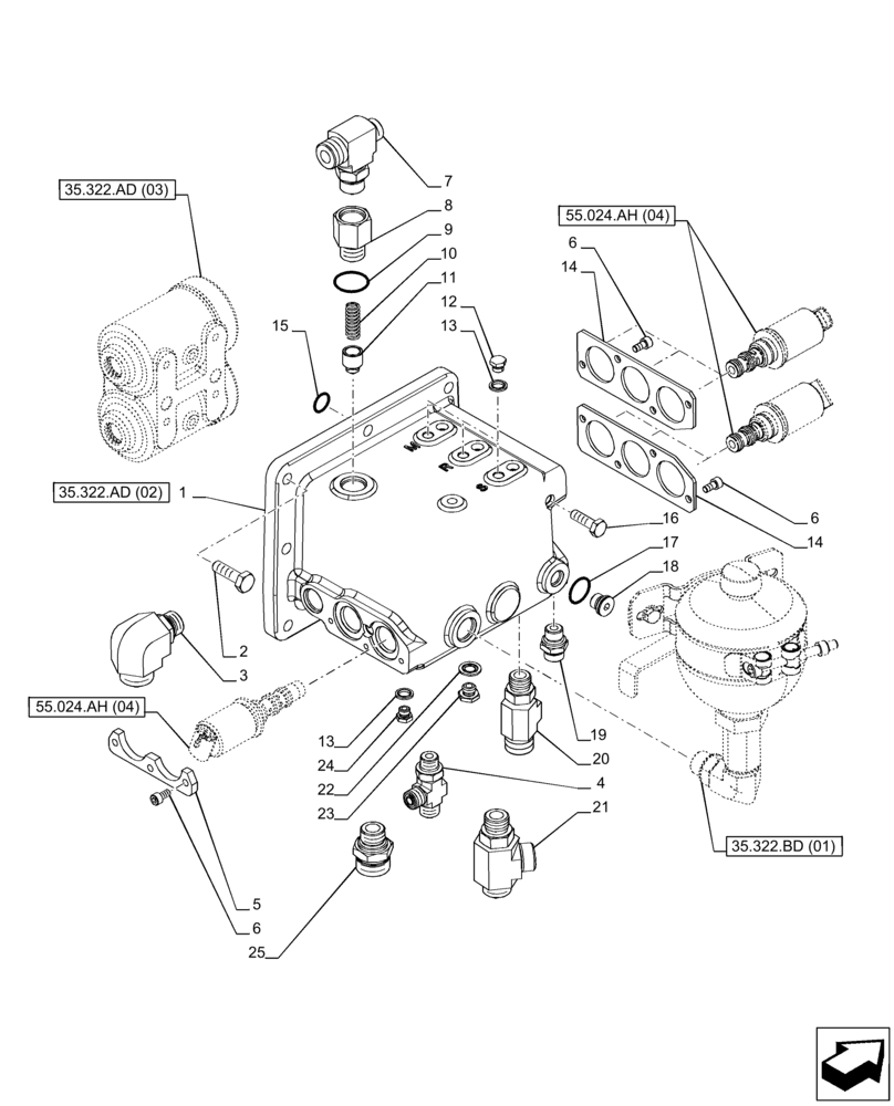
1

87381541

VALVE BODY

1шт.

2

15970924

SCREW,Hex, M10 x 1.25 x 35mm, Cl 8.8

6шт.

3

86579695

90 ELBOW,90 Degree, 1-3/16"-12 ORFS x M22 x 1.5 ORB

1шт.

4

87314182

HYD CONNECTOR,11/16-16 ORFS x 11/16-16 ORFS x M16 x 1.5 ORB

1шт.

5

87386213

FIXING PLATE

1шт.

6

14305121

HEX SOC SCREW,M6 x 12mm, Cl 8.8

11шт.

7

87325405

HYD CONNECTOR,1"-14 ORFS x 13/16-16 ORFS x M22 x 1.5 ORB

1шт.

8

5195483

HYD CONNECTOR,M22 x 1.5 ORFS - M22 x 1.5 ORB

1шт.

9

14438085

O-RING,19.3mm ID x 2.4mm

1шт.

10

5159185

SPRING,Compression, 12.5mm OD x 32.5mm L

1шт.

11

5169565

VALVE,By-Pass

1шт.

12

11903014

PLUG,HEX, M10 x 1

4шт.

13

87316678

SEALING WASHER,10mm ID x 16mm OD x 2.3mm Thk

5шт.

14

84277154

MOUNTING PARTS

2шт.

15

49861

O-RING,0.103" Thk x 0.362" ID, -110, Cl 5, 75 Duro

4шт.

16

11307031

BOLT,Hex, M10 x 1.25 x 40mm, Cl 10.9

2шт.

17

14437785

O-RING,11.3mm ID x 2.4mm

1шт.

18

10118740

PLUG,M14 x 1.5 x 15, Brass

1шт.

19

5192374

HYD CONNECTOR,11/16-16 ORFS x M16 x 1.5 ORB

1шт.

20

87575165

HYD CONNECTOR,1"-14 x M8 x 1.5

1шт.

21

86579705

TEE,1"-14 ORFS x M22 x 1.5 ORB Run

1шт.

22

5183780

SEALING WASHER,9.73mm ID x 18mm OD x 1.5mm Thk

1шт.

23

10300511

PLUG,M12 x 1.5 x 12, Cl5.8

1шт.

24

11903011

PLUG,M10 x 1 x 11, Cl5.8

1шт.

25

5185041

HYD CONNECTOR,1"3/16-12 ORFS x M22 x 1.5 ORB

1шт.

Выбрано товаров: 25