Запчасти Case IH PUMA 165 (00.000.55[05]) - PICTORIAL INDEX - ELECTRICAL SYSTEMS (00) - GENERAL & PICTORIAL INDEX

Схема запчастей Case IH PUMA 165 - (00.000.55[05]) - PICTORIAL INDEX - ELECTRICAL SYSTEMS (00) - GENERAL & PICTORIAL INDEX
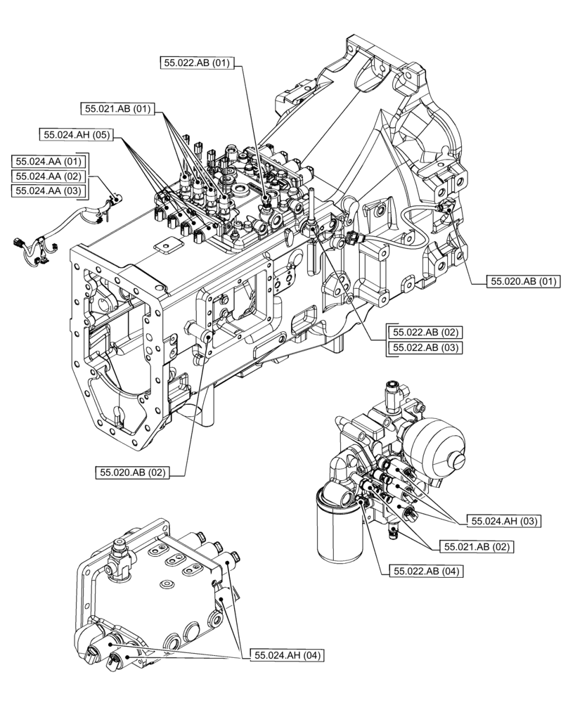
55.020.ab (02)
55.024.aa (01)
55.021.ab (01)
55.024.aa (02)
55.024.aa (03)
55.021.ab (02)
55.022.ab (01)
55.022.ab (04)
55.024.ah (03)
55.022.ab (02)
55.022.ab (03)
55.024.ah (04)
55.024.ah (05)
55.020.ab (01)
FIT
1:1
100%