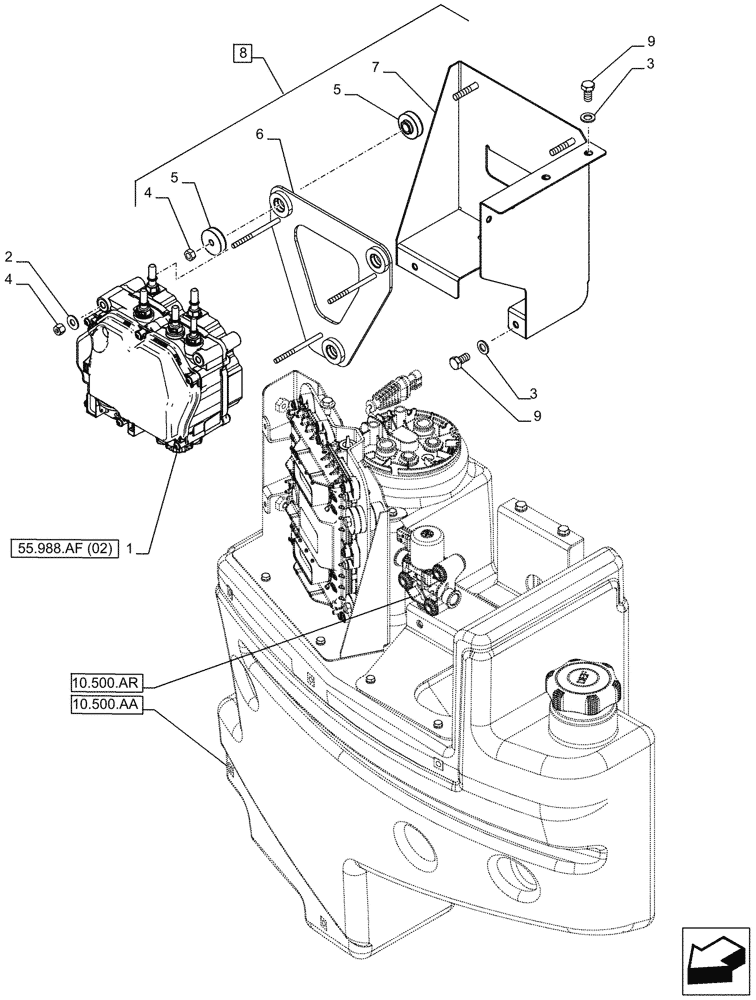
Запчасти Case IH PUMA 165 (55.988.AF[01]) - VAR - 391131, 758001 - ELECTRONIC CONTROL UNIT, SUPPLY (55) - ELECTRICAL SYSTEMS

Схема запчастей Case IH PUMA 165 - (55.988.AF[01]) - VAR - 391131, 758001 - ELECTRONIC CONTROL UNIT, SUPPLY (55) - ELECTRICAL SYSTEMS
10.500.ar
4
3
4
5
9
7
2
6
9
8
5
1
3
10.500.aa
55.988.af (02)
FIT
1:1
100%

Артикул

Название

Примечание

Количество

1

47565934

ECU

ASSY

1шт.

1

47565934R

REMAN ELECT CONTROL

1шт.

1

47565934C

CORE-ELECTRONIC CONT

Return Number

1шт.

2

12647701

WASHER,6.15mm ID x 21mm OD x 1mm Thk

3шт.

3

86624184

WASHER,9mm ID x 16mm OD x 1.6mm Thk

4шт.

4

12574211

NUT,M6 x 1, Cl 8

3шт.

5

47381256

RUBBER BLOCK,8.5mm ID x 36mm OD x 10mm Thk

6шт.

6

47377322

BASE PLATE

1шт.

7

NSS

NOT SOLD SEPARAT

Support, Incl in 8

1шт.

8

47649192

SUPPORT

ASSY, Incl 4 - 7

1шт.

9

16043221

BOLT,Hex, M8 x 16mm, Cl 8.8, Full Thd

4шт.

Выбрано товаров: 11