Запчасти Case IH PUMA 165 (55.020.AB[01]) - VAR - 391136, 391138, 391351, 758011, 758012, 758013, 758014, 758015, 758016, 758017, 758018, 758019, 758020, 758021, 758022 - TRANSMISSION, SPEED SENSOR (55) - ELECTRICAL SYSTEMS

Схема запчастей Case IH PUMA 165 - (55.020.AB[01]) - VAR - 391136, 391138, 391351, 758011, 758012, 758013, 758014, 758015, 758016, 758017, 758018, 758019, 758020, 758021, 758022 - TRANSMISSION, SPEED SENSOR (55) - ELECTRICAL SYSTEMS
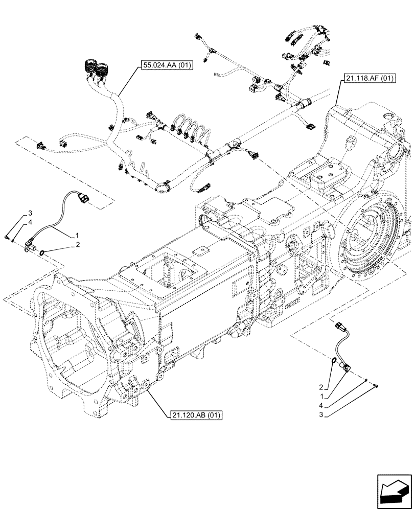
55.024.aa (01)
2
3
3
1
2
4
4
1
21.118.af (01)
21.120.ab (01)
FIT
1:1
100%

Артикул

Название

Примечание

Количество

1

84169162

SENSOR

Speed

2шт.

2

47136259

O-RING,3mm Thk x 17.2mm ID, 72 Duro

2шт.

3

14305720

HEX SOC SCREW,M6 x 14mm, Cl 8.8, Full Thd

2шт.

4

12601274

WAVE WASHER,6.40mm ID x 12mm OD x 0.50mm, 2.60mm H, STL, DAC

2шт.

Выбрано товаров: 4