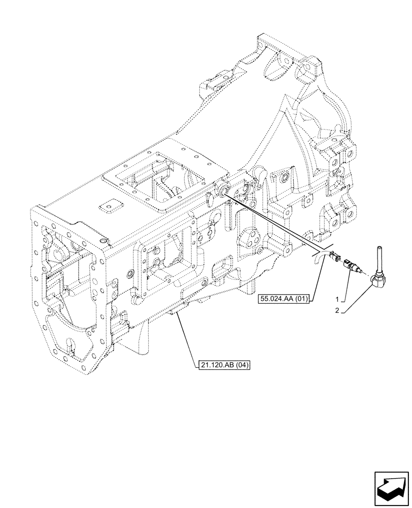
Запчасти Case IH PUMA 165 (55.022.AB[02]) - VAR - 391136, 391351, 758011, 758012, 758013, 758014, 758015 - TRANSMISSION, TEMPERATURE SWITCH (55) - ELECTRICAL SYSTEMS

Схема запчастей Case IH PUMA 165 - (55.022.AB[02]) - VAR - 391136, 391351, 758011, 758012, 758013, 758014, 758015 - TRANSMISSION, TEMPERATURE SWITCH (55) - ELECTRICAL SYSTEMS
21.120.ab (04)
2
1
55.024.aa (01)
FIT
1:1
100%

Артикул

Название

Примечание

Количество

1

87564690

TEMPERATURE SENDER,3/8" - 18

1шт.

2

87574620

HYD CONNECTOR,13/16"-16 x M18 x 1.5

1шт.

Выбрано товаров: 2