Запчасти Case IH PUMA 165 (55.022.AB[03]) - VAR - 758016, 758017, 758018, 758019, 758020, 758021 - TRANSMISSION, TEMPERATURE SWITCH (55) - ELECTRICAL SYSTEMS

Схема запчастей Case IH PUMA 165 - (55.022.AB[03]) - VAR - 758016, 758017, 758018, 758019, 758020, 758021 - TRANSMISSION, TEMPERATURE SWITCH (55) - ELECTRICAL SYSTEMS
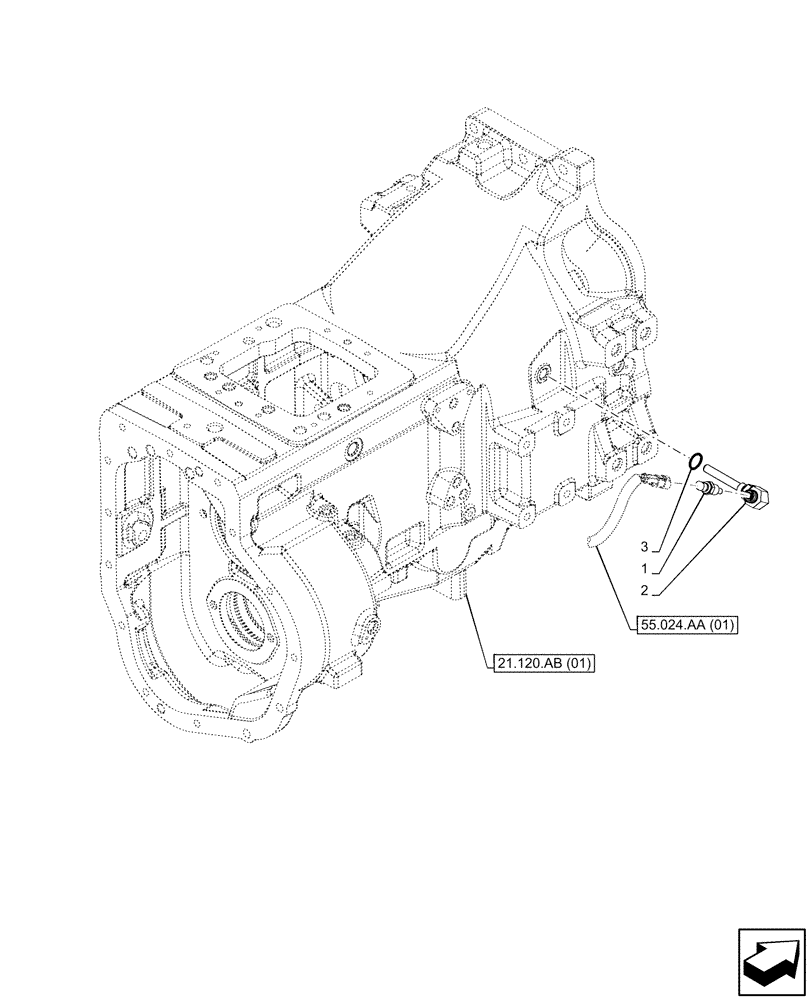
21.120.ab (01)
2
1
3
55.024.aa (01)
FIT
1:1
100%

Артикул

Название

Примечание

Количество

1

82028133

SENSOR,3/8"-18

1шт.

2

87574619

HYD CONNECTOR,13/16"-16 x M18 x 1.5

1шт.

3

5172342

O-RING,0.139" Thk x 0.609" ID, -208, 70 Duro

1шт.

Выбрано товаров: 3