Запчасти Case IH PUMA 165 (55.023.AB[02]) - VAR - 337426, 337429, 337430, 337431, 337432, 337433, 391136, 391137, 391138, 391351, 758011, 758012, 758013, 758014, 758015, 758016, 758017, 758018, 758019, 758020, 758021, 758022, 759052, 759053 - CLUTCH, PEDA

Схема запчастей Case IH PUMA 165 - (55.023.AB[02]) - VAR - 337426, 337429, 337430, 337431, 337432, 337433, 391136, 391137, 391138, 391351, 758011, 758012, 758013, 758014, 758015, 758016, 758017, 758018, 758019, 758020, 758021, 758022, 759052, 759053 - CLU
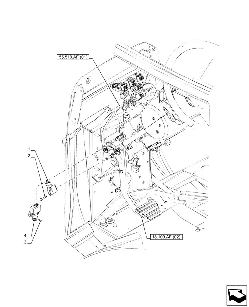
18.100.af (02)
1
4
2
3
55.510.af (01)
FIT
1:1
100%

Артикул

Название

Примечание

Количество

1

87605245

POTENTIOMETER,4000 Ohm, 13.5 VDC

1шт.

2

84224890

BOLT,Hex, M5 x 30mm, Cl 8.8

M5 x 30

2шт.

3

83963569

CAPTIVE WASHER SCREW,Pan Hd, M4 x 12mm, Cl 4.8

2шт.

4

82026949

PUSH BUTTON SWITCH

Clutch Pedal

1шт.

Выбрано товаров: 4