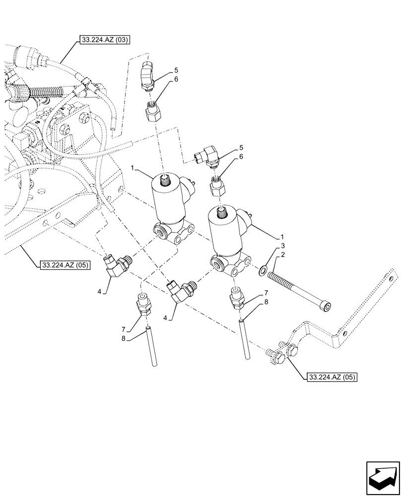
Запчасти Case IH PUMA 165 (55.032.AD[02]) - VAR - 758038, 758039, 758041, 758042, 758043, 758044 - PNEUMATIC TRAILER BRAKE, SOLENOID (55) - ELECTRICAL SYSTEMS

Схема запчастей Case IH PUMA 165 - (55.032.AD[02]) - VAR - 758038, 758039, 758041, 758042, 758043, 758044 - PNEUMATIC TRAILER BRAKE, SOLENOID (55) - ELECTRICAL SYSTEMS
33.224.az (05)
5
7
2
3
6
7
8
4
5
8
6
1
1
4
33.224.az (03)
33.224.az (05)
FIT
1:1
100%

Артикул

Название

Примечание

Количество

1

84359255

SOLENOID VALVE,1.41A, 12 VDC,

2шт.

2

14302124

HEX SOC SCREW,M8 x 1.25 x 100mm, Cl 8.8

2шт.

3

10516679

LOCK WASHER,Helical Spring, 8.20mm ID x 14.80mm OD x 2.20mm, C72, ZNM

2шт.

4

87678126

ELBOW,Hex, M12 x 1.4 x 28mm

2шт.

5

87678122

HYD CONNECTOR,M10 x 1

2шт.

6

87678127

HYD CONNECTOR,M10 x 1, M12 x 1.5

2шт.

7

82006828

ADAPTER

2шт.

8

82019793

HOSE,6.00mm OD x 70.00mm

2шт.

Выбрано товаров: 8