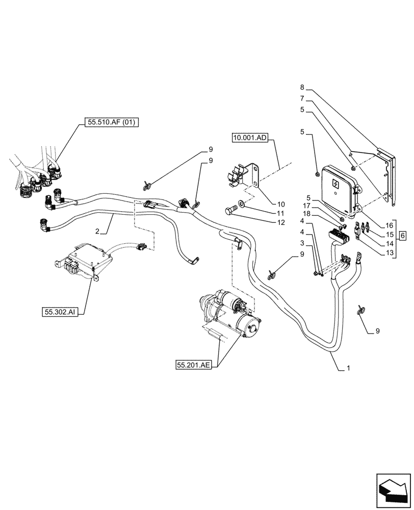
Запчасти Case IH PUMA 165 (55.510.AB) - VAR - 391130 , 392753, 758000 - POWER UNIT, HARNESS (55) - ELECTRICAL SYSTEMS

Схема запчастей Case IH PUMA 165 - (55.510.AB) - VAR - 391130 , 392753, 758000 - POWER UNIT, HARNESS (55) - ELECTRICAL SYSTEMS
55.302.ai
9
1
4
16
15
8
9
17
5
7
12
2
9
18
14
5
9
10
3
6
11
5
4
13
10.001.ad
55.510.af (01)
55.201.ae
FIT
1:1
100%

Артикул

Название

Примечание

Количество

1

47776252

WIRE HARNESS

ASSY, Incl 17, 18

1шт.

2

47706947

WIRE HARNESS

1шт.

3

9804277

FLANGE NUT,Hex, M8 x 1.25, Cl 8

1шт.

4

86512495

FLANGE NUT,Hex, M5, Cl 8

2шт.

5

14059211

FLANGE NUT,M6 x 1, Flg, Cl 8

6шт.

6

47581643

FUSE BOX

ASSY, Incl 13 - 16

1шт.

7

47590944

BRACKET

1шт.

8

47473485

BRACKET

1шт.

9

82013031

CABLE TIE,193mm L

7шт.

10

47752051

BRACKET

1шт.

11

14496701

WASHER,13.00mm ID x 24.00mm OD x 2.50mm, CST, ZND

2шт.

12

11112121

SCREW,Hex, M12 x 20mm, Cl 8.8, Full Thd

2шт.

13

82033972

FUSE,250A

1шт.

14

87390344

FUSE,30A, MIDIVAL

1шт.

15

84320118

FUSE,40A, Midival

1шт.

16

NSS

NOT SOLD SEPARAT

Box, Incl in 6

1шт.

17

84543528

RELAY,12V, 20A, Micro

1шт.

18

82030798

RELAY,12V, 70A

1шт.

Выбрано товаров: 18