Запчасти Case IH PUMA 165 (55.513.BA[02]) - VAR - 391136, 391351, 758011, 758012, 758013, 758014, 758015, 758017, 758019, 758021 - ANGLE, POSITION, SENSOR (55) - ELECTRICAL SYSTEMS

Схема запчастей Case IH PUMA 165 - (55.513.BA[02]) - VAR - 391136, 391351, 758011, 758012, 758013, 758014, 758015, 758017, 758019, 758021 - ANGLE, POSITION, SENSOR (55) - ELECTRICAL SYSTEMS
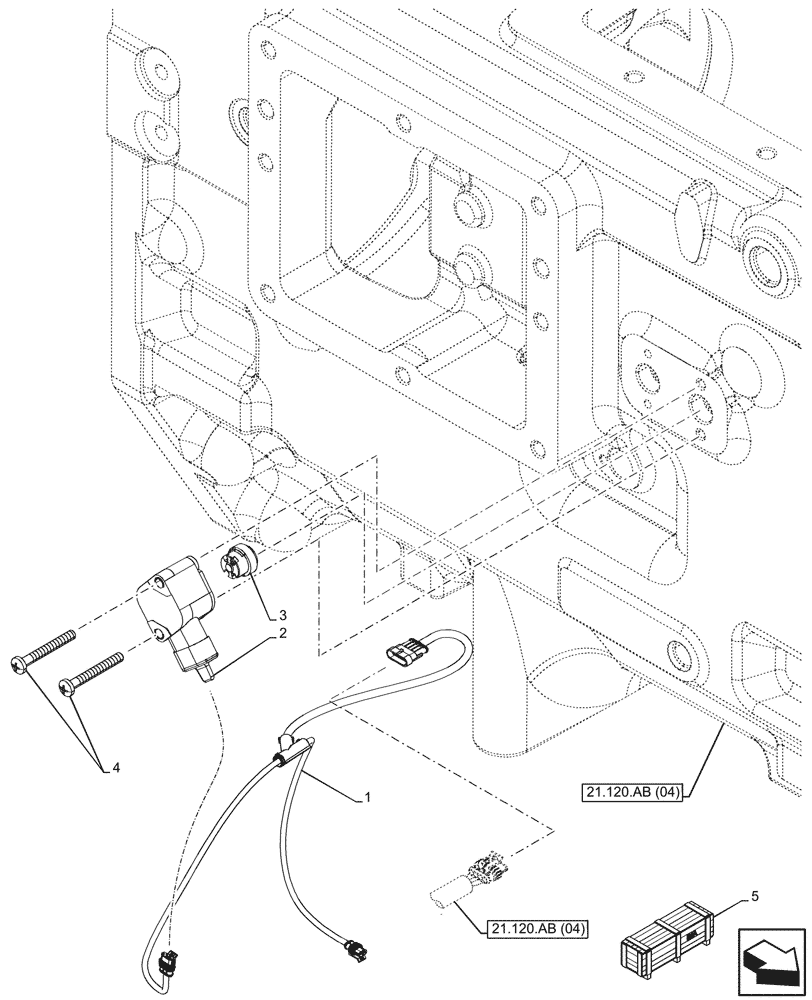
21.120.ab (04)
3
4
1
2
5
21.120.ab (04)
FIT
1:1
100%

Артикул

Название

Примечание

Количество

1

82028418

WIRE HARNESS

Creeper Link

1шт.

2

87605247

POTENTIOMETER,4000 Ohm, 13.5 VDC

Angle Position

1шт.

3

84271446

MAGNET

1шт.

4

87673581

SCREW,Phil Pan Hd, M5 x 40mm, Cl 8.8, w/ Chem Lock

2шт.

5

710117064

DIA KIT, TRACTOR

Creeper Dia for Semi Powershift Transmission, Incl 1 - 3

1шт.

To See Full DIA KIT Composition Look for all the Figures Where the DIA KIT P/N Is Shown

1шт.

Выбрано товаров: 6