Запчасти Case IH PUMA 185 (55.512.BQ[01]) - VAR - 758148 - ARMREST, CONTROL UNIT, DISPLAY (55) - ELECTRICAL SYSTEMS

Схема запчастей Case IH PUMA 185 - (55.512.BQ[01]) - VAR - 758148 - ARMREST, CONTROL UNIT, DISPLAY (55) - ELECTRICAL SYSTEMS
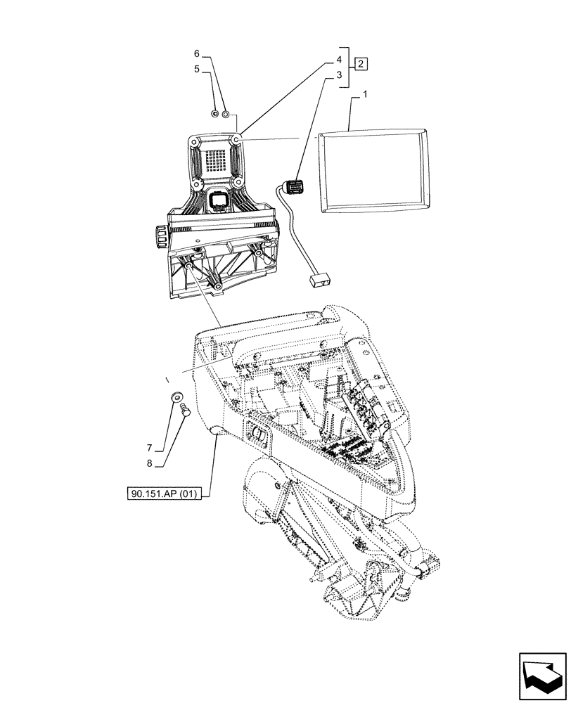
90.151.ap (01)
2
3
6
8
5
7
1
4
FIT
1:1
100%

Артикул

Название

Примечание

Количество

1

47514045

DISPLAY

SWCD 1.5 TS

1шт.

2

87725500

HOLDER

SWCD, ASSY, Incl 3, 4

1шт.

3

84228344

HARNESS

SWCD

1шт.

4

NSS

NOT SOLD SEPARAT

Mount, Hinge, SWCD, Incl in 2

1шт.

5

13276017

SCREW,Pozidriv Pan Hd, M6 x 12mm, Cl 5.8, Full Thd

4шт.

6

10519407

WASHER,6.4mm ID x 11.95mm OD x 1.6mm Thk

4шт.

7

12647121

WASHER,8.15mm ID x 20mm OD x 3mm Thk

3шт.

8

120104

BOLT,Hex, M8 x 1.25 x 20mm, Cl 8.8

3шт.

Выбрано товаров: 8