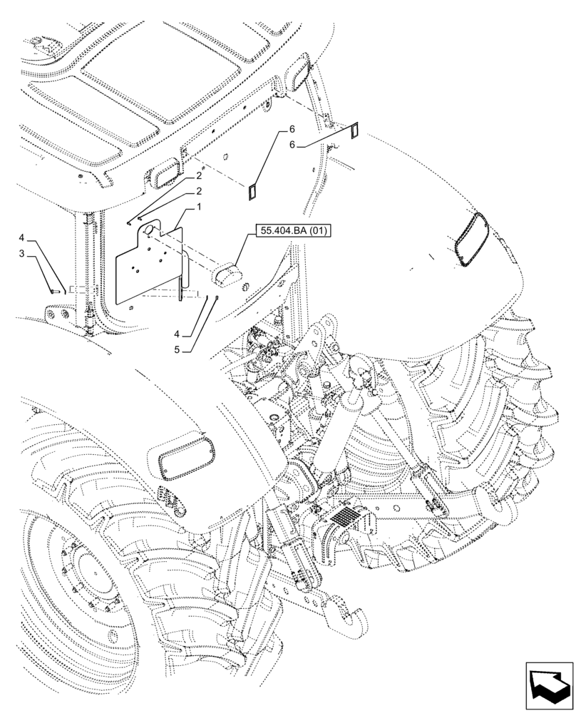
Запчасти Case IH PUMA 185 (88.100.AC[01]) - VAR - 758223, 758230, 758235, 758240, 758241 - LICENSE PLATE LIGHT, HOLDER (88) - ACCESSORIES

Схема запчастей Case IH PUMA 185 - (88.100.AC[01]) - VAR - 758223, 758230, 758235, 758240, 758241 - LICENSE PLATE LIGHT, HOLDER (88) - ACCESSORIES
1
2
4
6
5
2
55.404.ba (01)
4
3
6
FIT
1:1
100%

Артикул

Название

Примечание

Количество

1

84529865

BRACKET

Licence Plate, Low Mount

1шт.

2

15687201

SELF-TAP SCREW,Cross Pan Hd, M3.5 x 13mm

2шт.

3

120100

BOLT,M6 x 20mm, Cl 8.8

2шт.

4

14496401

WASHER,M6.4 x 12.00mm x 1.60mm

4шт.

5

12574211

NUT,M6 x 1, Cl 8

2шт.

6

5151033

PLASTIC PLUG

2шт.

Выбрано товаров: 6