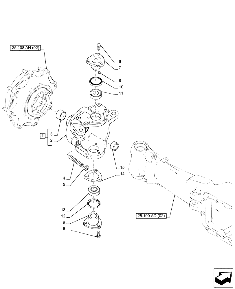
Запчасти Case IH PUMA 185 (25.108.AG[04]) - VAR - 758048 - FRONT AXLE, SUSPENDED, STEERING KNUCKLE, LH (25) - FRONT AXLE SYSTEM

Схема запчастей Case IH PUMA 185 - (25.108.AG[04]) - VAR - 758048 - FRONT AXLE, SUSPENDED, STEERING KNUCKLE, LH (25) - FRONT AXLE SYSTEM
11
25.108.an (02)
6
7
14
15
8
12
25.100.ad (02)
10
5
4
2
9
3
13
1
6
FIT
1:1
100%

Артикул

Название

Примечание

Количество

1

84188825

KNUCKLE,LH

ASSY, Incl 2, 3

1шт.

2

NSS

NOT SOLD SEPARAT

Knuckle, Incl in 1

1шт.

3

5104085

BUSHING,45mm ID x 50mm OD x 30mm L

1шт.

4

87751874

ADJUSTMENT SCREW,M18 x 120mm, Cl 10.9

1шт.

5

10717624

THIN NUT,Thin, M18 x 2.5, Cl 05

1шт.

6

14254434

SCREW,Hex, M14 x 1.5 x 30mm, Cl 10.9, Full Thd

6шт.

7

87345372

BALL STUD

Upper

1шт.

8

13407211

LUBE NIPPLE,M10 x 1

1шт.

9

87382384

BALL STUD

Lower

1шт.

10

47137701

SEAL,70mm ID x 90mm OD x 10mm Thk

1шт.

11

47137676

SPH ROLLER BEARING,40mm ID x 80mm OD x 24.75mm W

1шт.

12

5121907

SEAL,70mm ID x 90mm OD x 11mm Thk

1шт.

13

5119660

BALL JOINT,40mm ID x 80mm OD x 24.75mm W

1шт.

14

5137114

SHIM,70.5mm ID x 115mm OD x 0.1mm Thk

1шт.

14

5137115

SHIM,0.15mm Thk

1шт.

14

5137116

SHIM,70.5mm ID x 115mm OD x 0.2mm Thk

0.20mm Thk

1шт.

14

5137117

SHIM,70.5mm ID x 115mm OD x 0.25mm Thk

0.25mm Thk

1шт.

14

5137118

SHIM,70.5mm ID x 115mm OD x 0.3mm Thk

0.30mm Thk

1шт.

15

84166643

SEAL,45mm ID x 65mm OD x 27mm Thk

1шт.

Выбрано товаров: 19