Запчасти Case IH PUMA 185 (31.104.AR[04]) - VAR - 337428, 337430, 337432, 758017, 758019, 758021 - PTO, CONTROL VALVE, COMPONENTS (31) - IMPLEMENT POWER TAKE OFF

Схема запчастей Case IH PUMA 185 - (31.104.AR[04]) - VAR - 337428, 337430, 337432, 758017, 758019, 758021 - PTO, CONTROL VALVE, COMPONENTS (31) - IMPLEMENT POWER TAKE OFF
55.049.ak (01)
3
25
18
7
8
3
6
8
55.049.ak (01)
3
14
9
7
18
10
5
21
3
8
20
7
11
24
20
12
4
22
23
19
8
13
16
17
3
20
7
15
11
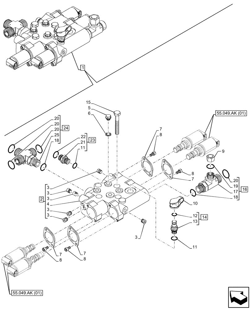
1
20
3
2
FIT
1:1
100%

Артикул

Название

Примечание

Количество

1

87525228

DISTRIBUTOR

ASSY, Incl 2 - 25

1шт.

See also Figure 55.048.AK 01

1шт.

2

87523105

VALVE BODY

ASSY, Incl 3, 4

1шт.

3

14326004

PLUG,Hex Socket, M10 x 1.25 x 11.00mm, STL, DAC

6шт.

4

NSS

NOT SOLD SEPARAT

Body, Incl in 2

1шт.

5

87535222

PLUG,Hex, M10 x 1 x 13mm

4шт.

6

87316678

SEALING WASHER,10mm ID x 16mm OD x 2.3mm Thk

4шт.

7

5194826

BRACKET

4шт.

8

14305124

HEX SOC SCREW,M6 x 12mm, Cl 8.8, Full Thd

8шт.

9

47123020

PLUG,Hex

1шт.

10

5185424

DUST CAP,11.5mm ID x 81.5 L, Black

1шт.

11

14437885

O-RING,13.30mm ID x 2.40mm

2шт.

12

47725668

O-RING,2.2mm Thk x 11.3mm ID, Cl 6

1шт.

13

NSS

NOT SOLD SEPARAT

Coupling, Incl in 14

1шт.

14

5185423

COUPLING

ASSY, Incl 12, 13

1шт.

15

15888821

BOLT,Hex, M10 x 1.25 x 70mm, Cl 8.8

4шт.

16

47136372

HYD CONNECTOR,M22 x 1.5 x 88.5mm L

ASSY, Incl 17, 18 (Qty 1), 19, 20 (Qty 1)

1шт.

17

NSS

NOT SOLD SEPARAT

Tee, Incl in 16

1шт.

18

14438085

O-RING,19.3mm ID x 2.4mm

2шт.

19

5185511

O-RING,1.78mm Thk x 12.42mm ID, 85 Duro

1шт.

20

5185512

O-RING,0.07" Thk x 0.614" ID, -16, Cl 6, 90 Duro

4шт.

21

NSS

NOT SOLD SEPARAT

Connector, Incl in 23

1шт.

22

5185510

O-RING,1.78mm Thk x 9.25mm ID, 85 Duro

1шт.

23

5192374

HYD CONNECTOR,11/16-16 ORFS x M16 x 1.5 ORB

ASSY, Incl 11 (Qty 1), 21, 22

1шт.

24

5187063

HYD CONNECTOR

ASSY, Incl 18 (Qty 1), 20 (Qty 3), 25

1шт.

25

NSS

NOT SOLD SEPARAT

Cross, Incl in 24

1шт.

Выбрано товаров: 26