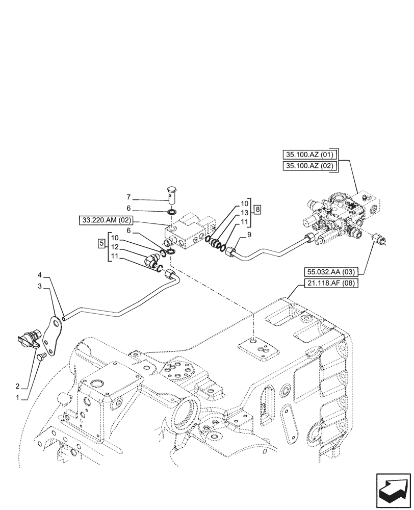
Запчасти Case IH PUMA 185 (33.202.AP[11]) - VAR - 337487 - BRAKE LINE, POWERSHIFT (33) - BRAKES & CONTROLS

Схема запчастей Case IH PUMA 185 - (33.202.AP[11]) - VAR - 337487 - BRAKE LINE, POWERSHIFT (33) - BRAKES & CONTROLS
35.100.az (02)
8
5
6
11
11
2
4
12
10
10
3
6
1
13
9
7
21.118.af (08)
35.100.az (01)
55.032.aa (03)
33.220.am (02)
FIT
1:1
100%

Артикул

Название

Примечание

Количество

1

15540221

BOLT,Hex, M12 x 1.25 x 20mm, Cl 8.8, Full Thd

2шт.

2

44015354

QUICK MALE COUPLING

1шт.

3

5196322

BRACKET

1шт.

4

84554422

HYD TUBE

1шт.

5

5185052

90 ELBOW,13/16"-16 x M18 x 1.5

ASSY, Incl 10-12

1шт.

6

5186176

SEALING WASHER,15.80mm ID x 26.92mm OD x 1.50mm, Steel, Zinc

2шт.

7

5197769

BANJO BOLT,M18 x 1.5 x 49mm

1шт.

8

5194065

HYD CONNECTOR,M18 x 1.5 x 36mm

ASSY, Incl 10, 11, 20

1шт.

9

47423734

PIPE

1шт.

10

14437985

O-RING,15.3mm ID x 2.4mm

2шт.

11

5185511

O-RING,1.78mm Thk x 12.42mm ID, 85 Duro

2шт.

12

NSS

NOT SOLD SEPARAT

Incl in 5

1шт.

13

NSS

NOT SOLD SEPARAT

Incl in 8

1шт.

Выбрано товаров: 13