Запчасти Case IH PUMA 185 (33.224.AM[01]) - VAR - 758038, 758039, 758041, 758042, 758043, 758044 - TRAILER BRAKE, COMPRESSOR, LUBRICATION LINE (33) - BRAKES & CONTROLS

Схема запчастей Case IH PUMA 185 - (33.224.AM[01]) - VAR - 758038, 758039, 758041, 758042, 758043, 758044 - TRAILER BRAKE, COMPRESSOR, LUBRICATION LINE (33) - BRAKES & CONTROLS
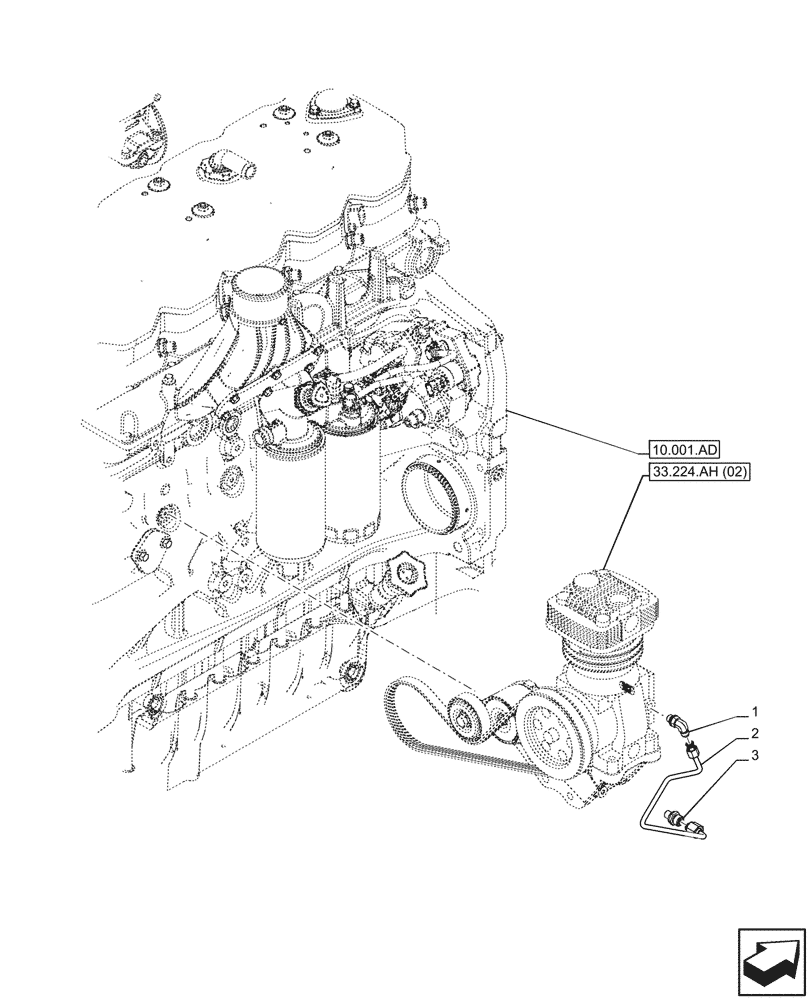
10.001.ad
1
2
3
33.224.ah (02)
FIT
1:1
100%

Артикул

Название

Примечание

Количество

1

87016907

HYD CONNECTOR,9/16"-18 ORFS x M10 x 1 ORB

ASSY, Incl 4, 5

1шт.

2

47655831

PIPE

Lube

1шт.

3

87016907

HYD CONNECTOR,9/16"-18 ORFS x M10 x 1 ORB

1шт.

Выбрано товаров: 3