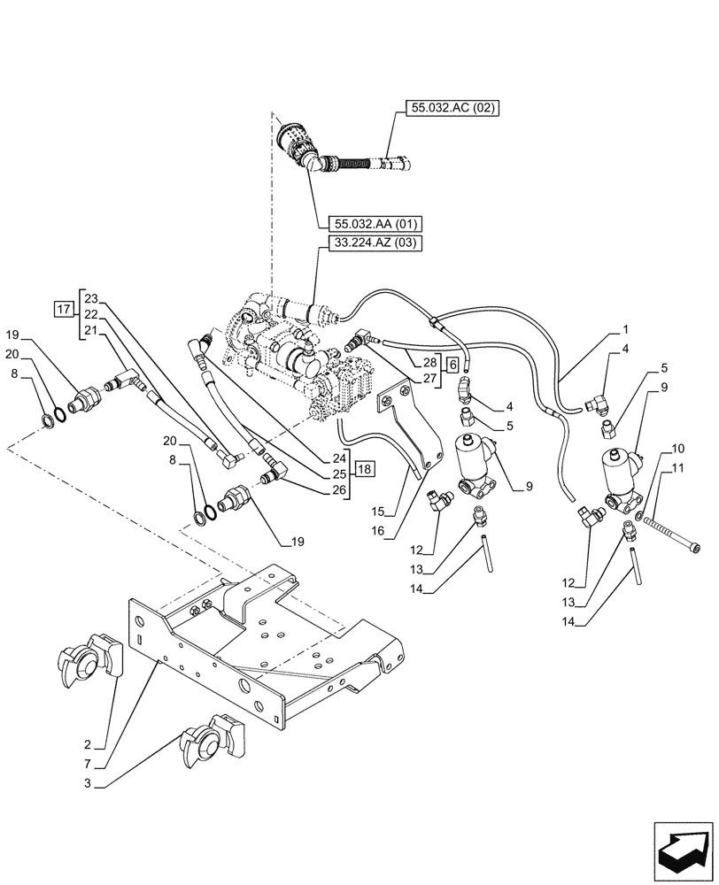
Запчасти Case IH PUMA 185 (33.224.AZ[02]) - VAR - 337481, 337482, 758038, 758039 - TRAILER BRAKE VALVE (33) - BRAKES & CONTROLS

Схема запчастей Case IH PUMA 185 - (33.224.AZ[02]) - VAR - 337481, 337482, 758038, 758039 - TRAILER BRAKE VALVE (33) - BRAKES & CONTROLS
55.032.aa (01)
10
28
22
11
23
9
16
13
8
3
21
8
20
6
12
2
19
26
24
4
9
15
12
27
17
14
20
18
25
13
19
7
1
33.224.az (03)
5
4
5
14
55.032.ac (02)
FIT
1:1
100%

Артикул

Название

Примечание

Количество

1

84358408

FLEXIBLE HOSE

1шт.

2

82001020

COUPLING

Quick, Female, Control Line-A, LH

1шт.

3

82001019

COUPLING

Quick, Female, Air Traile, RH

1шт.

4

87678122

HYD CONNECTOR,M10 x 1

2шт.

5

87678127

HYD CONNECTOR,M10 x 1, M12 x 1.5

2шт.

6

84157675

FLEXIBLE HOSE,436.00 mm

ASSY, Incl 27, 28

1шт.

7

84157689

SUPPORT

1шт.

8

87678124

WASHER,Backing, 16.10mm, 19.50mm ID x 22.00mm OD x 2.60mm

2шт.

9

84359255

SOLENOID VALVE,1.41A, 12 VDC,

2шт.

10

10516679

LOCK WASHER,Helical Spring, 8.20mm ID x 14.80mm OD x 2.20mm, C72, ZNM

2шт.

11

14302124

HEX SOC SCREW,M8 x 1.25 x 100mm, Cl 8.8

2шт.

12

87678126

ELBOW,Hex, M12 x 1.4 x 28mm

2шт.

13

82006828

ADAPTER

2шт.

14

82019793

HOSE,6.00mm OD x 70.00mm

2шт.

15

87580708

TUBE,4 mm ID x 6 mm OD x 253 mm L

1шт.

16

84143167

SUPPORT

1шт.

17

84157670

FLEXIBLE HOSE,12mm ID x 164mm, MAT 3012

ASSY, Incl 21 - 23

1шт.

18

84181248

FLEXIBLE HOSE

ASSY, Incl 24 - 26

1шт.

19

87678128

ADAPTER

2шт.

20

87678125

O-RING,2mm Thk x 14mm ID, 70 Duro

2шт.

21

84157694

90 ELBOW

1шт.

22

NSS

NOT SOLD SEPARAT

Incl in 17

1шт.

23

87588080

90 ELBOW,NG8 x 12mm D

1шт.

24

87642190

HYD CONNECTOR

1шт.

25

NSS

NOT SOLD SEPARAT

Incl in 18

1шт.

26

82038479

90 ELBOW,NG12 x 12mm D

1шт.

27

82036158

ELBOW,9.1mm OD x 31.5mm, 6x1Tube

1шт.

28

NSS

NOT SOLD SEPARAT

Incl in 6

1шт.

Выбрано товаров: 28