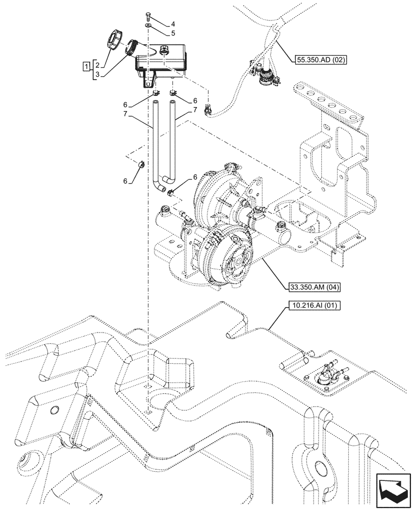
Запчасти Case IH PUMA 185 (33.350.AR[03]) - VAR - 337479, 337480 - ANTILOCK BRAKING SYSTEM (ABS), BRAKE FLUID RESERVOIR (33) - BRAKES & CONTROLS

Схема запчастей Case IH PUMA 185 - (33.350.AR[03]) - VAR - 337479, 337480 - ANTILOCK BRAKING SYSTEM (ABS), BRAKE FLUID RESERVOIR (33) - BRAKES & CONTROLS
10.216.ai (01)
6
7
1
7
2
6
5
4
6
3
6
33.350.am (04)
55.350.ad (02)
FIT
1:1
100%

Артикул

Название

Примечание

Количество

1

47455153

BRAKE FLUID TANK

ASSY, Incl 2, 3

1шт.

2

84573122

PLUG

1шт.

3

NSS

NOT SOLD SEPARAT

Reservoir Brake Fluid, Incl in 1

1шт.

4

10902421

SCREW,Hex, M6 x 20mm, Cl 8.8

2шт.

5

86588450

WASHER,6.6mm ID x 12mm OD x 1.6mm Thk

2шт.

6

82011382

HOSE CLAMP,15mm - 17mm

4шт.

7

47415461

HOSE

2шт.

Выбрано товаров: 0