Запчасти Case IH PUMA 185 (35.204.BE[10]) - VAR - 391164, 758058 - CONTROL VALVE SECTION, COMPONENTS (35) - HYDRAULIC SYSTEMS

Схема запчастей Case IH PUMA 185 - (35.204.BE[10]) - VAR - 391164, 758058 - CONTROL VALVE SECTION, COMPONENTS (35) - HYDRAULIC SYSTEMS
16
10
10
2
10
12
14
7
10
9
17
4
10
3
19
11
18
5
15
6
8
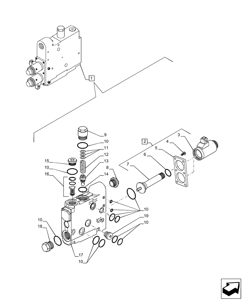
1
13
10
FIT
1:1
100%

Артикул

Название

Примечание

Количество

1

84236339

CONTROL VALVE

ASSY, Incl 2 - 19

1шт.

2

84317641

ELECTROMAGNET

ASSY, Incl 3 - 7

1шт.

3

5190768

COIL ASSY.

1шт.

4

47129409

SET SCREW,Oval Head

6шт.

5

NSS

NOT SOLD SEPARAT

Flange, Incl in 2

1шт.

6

NSS

NOT SOLD SEPARAT

O-Ring, Incl in 2

2шт.

7

NSS

NOT SOLD SEPARAT

Pressure Tube, Incl in 2

2шт.

8

NSS

NOT SOLD SEPARAT

Cover, Incl in 1

1шт.

9

47129410

PLUG,Hex, 29.2mm OD

1шт.

10

47129413

SEAL KIT

Seals

1шт.

11

47129406

SHIM,0.30mm T

1шт.

11

47129407

SHIM,0.40mm T

1шт.

11

47129416

SHIM,0.80mm T

1шт.

12

47129411

SPRING

1шт.

13

47129415

INSERT

1шт.

14

87531495

O-RING,12.00mm ID x 1.75mm

1шт.

15

47129438

PLUG

1шт.

16

84232107

REPAIR KIT

Set

1шт.

17

NSS

NOT SOLD SEPARAT

Housing, Incl in 1

1шт.

18

87531487

PLUG

1шт.

19

84127100

SHUT-OFF VALVE

1шт.

Выбрано товаров: 21