Запчасти Case IH PUMA 185 (41.101.AF[03]) - VAR - 758267, 758271, 758275, 758278 - STEERING COLUMN (41) - STEERING

Схема запчастей Case IH PUMA 185 - (41.101.AF[03]) - VAR - 758267, 758271, 758275, 758278 - STEERING COLUMN (41) - STEERING
3
6
8
15
41.101.aj (03)
9
41.101.af (04)
11
14
7
12
10
16
41.101.ab (02)
5
1
2
41.101.ab (02)
12
4
13
FIT
1:1
100%

Артикул

Название

Примечание

Количество

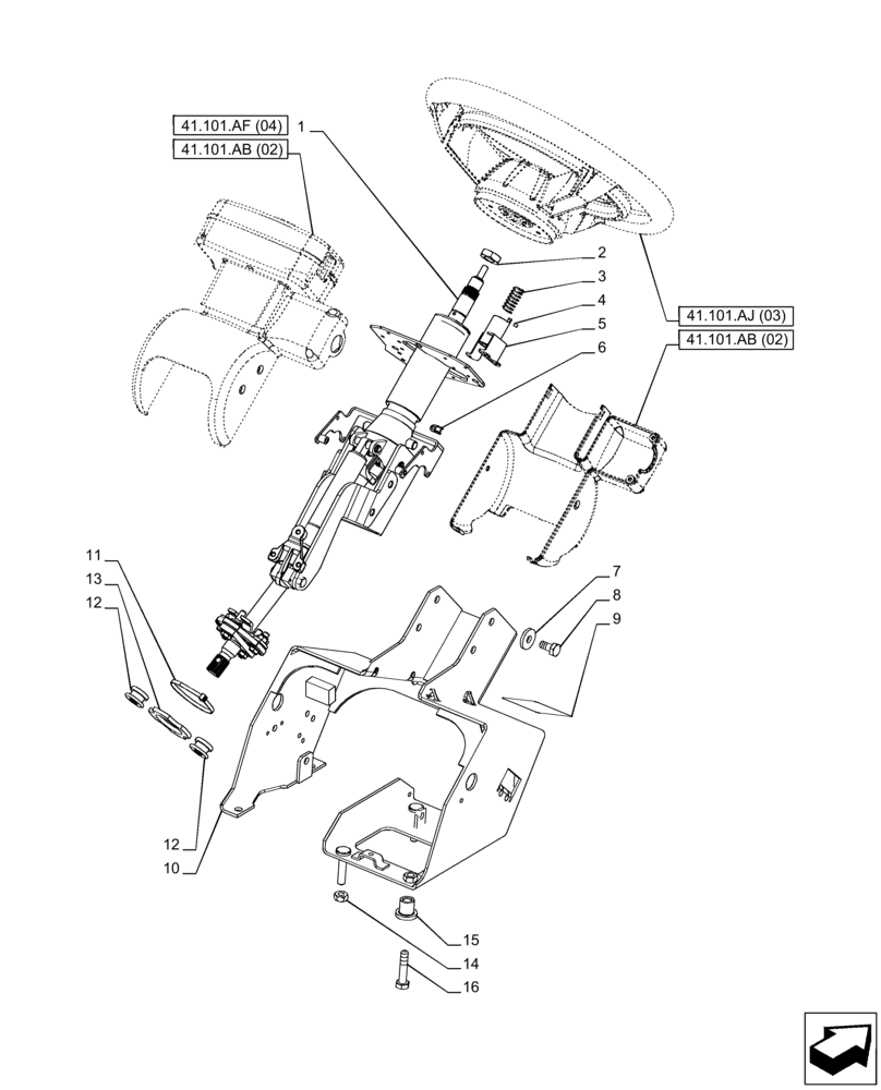
1

47383940

STEERING COLUMN,Tilting, Telescoping

1шт.

2

10726611

THIN NUT,Thin, M18, 1.5mm Pitch, Cl 04, ZND

1шт.

3

82012555

SPRING

1шт.

4

13802121

SCREW,M4 x 5mm, Cl 8.8

1шт.

5

47390158

BRACKET

, Years: -27-MAY-14

1шт.

5

47718217

BRACKET

, Start Year: 28-MAY-14

1шт.

6

47056773

RETAINER COLLAR,5mm ID x 19.1mm L x 9.5mm W

1шт.

7

83904166

WASHER,10.5mm ID x 30mm OD x 4mm Thk

4шт.

8

11106021

BOLT,Hex, M10 x 1.5 x 20 mm, Cl 8.8, Full Thd

4шт.

9

82004409

DECAL

1шт.

10

87579189

SUPPORT

1шт.

11

14560287

CABLE TIE,207.00mm L

1шт.

12

82009429

ISOLATOR

4шт.

13

81873344

RUBBER INSULATOR

1шт.

14

11701711

NUT,Hex, M10, Cl 8, ZND

2шт.

15

82027074

SPACER,20mm ID x 30mm OD x 25mm L

6шт.

16

11107221

BOLT,Hex, M10 x 50mm, Cl 8.8

6шт.

Выбрано товаров: 17