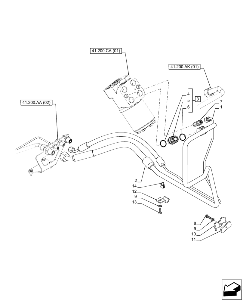
Запчасти Case IH PUMA 185 (41.200.AA[01]) - VAR - 337435, 337467, 391231, 758270 - STEERING VALVE, LINE, POWERSHIFT (41) - STEERING

Схема запчастей Case IH PUMA 185 - (41.200.AA[01]) - VAR - 337435, 337467, 391231, 758270 - STEERING VALVE, LINE, POWERSHIFT (41) - STEERING
2
8
10
7
41.200.ak (01)
11
9
5
41.200.aa (02)
14
3
1
9
12
4
13
6
41.200.ca (01)
FIT
1:1
100%

Артикул

Название

Примечание

Количество

1

47662252

PIPE

LS Steering

1шт.

2

47662249

PIPE

Delivery Steering

1шт.

3

82016498

HYD CONNECTOR,M22 x 1.5 DIN, 1" - 14 ORFS

ASSY, Incl 4 - 6

1шт.

4

9992069

O-RING,0.07" Thk x 0.614" ID, -16, Cl 6, 90 Duro

1шт.

5

NSS

NOT SOLD SEPARAT

Connector, Incl in 3

1шт.

6

82016732

SEAL,19.6mm ID x 24.3mm OD x 1.5mm Thk

1шт.

7

47704984

HYD CONNECTOR

1шт.

8

86977786

BOLT,Hex, M6 x 1 x 25mm, Cl 8.8

1шт.

9

86588450

WASHER,6.6mm ID x 12mm OD x 1.6mm Thk

2шт.

10

47370751

CLIP

1шт.

11

84591886

PLATE

1шт.

12

4999554

CLAMP,2 Hoses

1шт.

13

86977726

BOLT,Hex, M6 x 12mm, Cl 8.8

1шт.

14

87710266

CLIP,6mm

6mm

1шт.

Выбрано товаров: 14