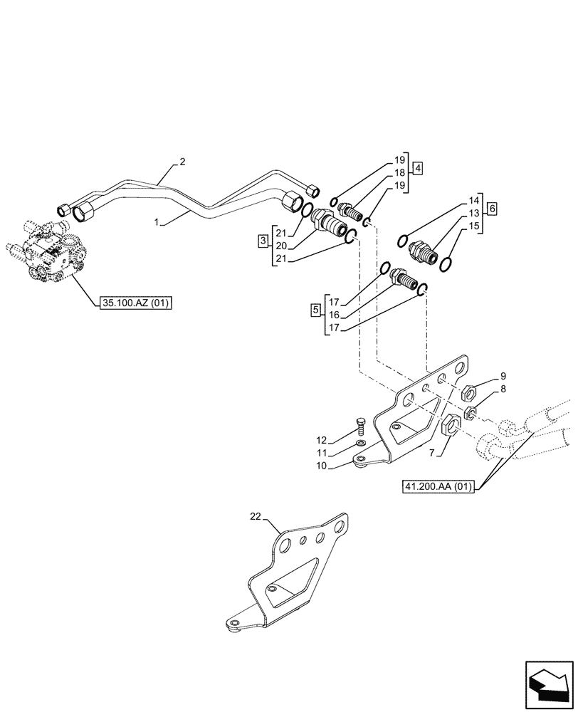
Запчасти Case IH PUMA 185 (41.200.AA[02]) - VAR - 391231, 758270, 758271, 758272, 758273 - STEERING VALVE, LINE, POWERSHIFT (41) - STEERING

Схема запчастей Case IH PUMA 185 - (41.200.AA[02]) - VAR - 391231, 758270, 758271, 758272, 758273 - STEERING VALVE, LINE, POWERSHIFT (41) - STEERING
35.100.az (01)
19
1
16
2
9
22
4
17
13
21
12
3
6
7
21
18
5
17
11
8
15
14
10
19
20
41.200.aa (01)
FIT
1:1
100%

Артикул

Название

Примечание

Количество

1

84597363

PIPE

Delivery

1шт.

2

47433585

PIPE

LS Steering, Years: -02-APR-14

1шт.

2

47693015

PIPE

, Start Year: 03-APR-14

1шт.

3

86978771

UNION,16mm L

16mm, ASSY, Incl 20, 21

1шт.

4

86639059

UNION,9/16"-18 ORFS, Blkd

ASSY, Incl 18, 19

1шт.

5

86978770

UNION,11/16"-6, ORFS

ASSY, Incl 16, 17

1шт.

6

87711900

HYD CONNECTOR

11/16"-13/16", ASSY, Incl 13 - 15

1шт.

7

86639085

BHD LOCK NUT,1"-14, Bulkhead

1шт.

8

86639063

BHD LOCK NUT,9/16"-18, ORFS Blkhd

1шт.

9

87010704

BHD LOCK NUT,11/16"-16

1шт.

10

47450525

BRACKET

, Years: -02-APR-14

1шт.

11

86624184

WASHER,9mm ID x 16mm OD x 1.6mm Thk

3шт.

12

43127

BOLT,Hex, M8 x 1.25 x 25mm, Cl 8.8

3шт.

13

NSS

NOT SOLD SEPARAT

Connector, Incl in 6

1шт.

14

5185510

O-RING,1.78mm Thk x 9.25mm ID, 85 Duro

1шт.

15

5185511

O-RING,1.78mm Thk x 12.42mm ID, 85 Duro

1шт.

16

NSS

NOT SOLD SEPARAT

Connector, Incl in 5

1шт.

17

9993141

O-RING,0.07" Thk x 0.364" ID, -12, Cl 6, 90 Duro

2шт.

18

NSS

NOT SOLD SEPARAT

Connector, Incl in 4

1шт.

19

9825770

O-RING,0.07" Thk x 0.301" ID, -11, Cl 6, 90 Duro

2шт.

20

NSS

NOT SOLD SEPARAT

Connector, Incl in 3

1шт.

21

9992069

O-RING,0.07" Thk x 0.614" ID, -16, Cl 6, 90 Duro

2шт.

22

47693060

BRACKET

, Start Year: 03-APR-14

1шт.

Выбрано товаров: 23