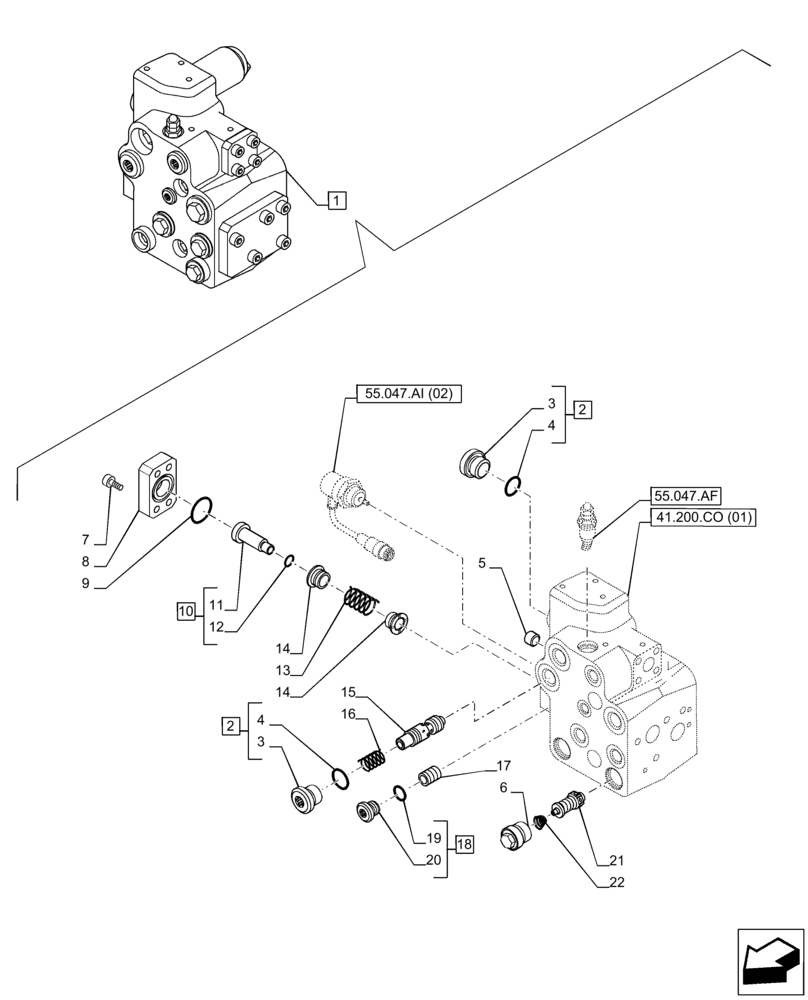
Запчасти Case IH PUMA 185 (41.200.CO[03]) - VAR - 758267, 758271, 758275, 758278 - FAST STEER, CONTROL VALVE, COMPONENTS (41) - STEERING

Схема запчастей Case IH PUMA 185 - (41.200.CO[03]) - VAR - 758267, 758271, 758275, 758278 - FAST STEER, CONTROL VALVE, COMPONENTS (41) - STEERING
10
14
3
18
12
13
2
8
22
19
20
15
9
11
4
55.047.af
3
17
7
2
1
14
21
5
41.200.co (01)
6
16
55.047.ai (02)
4
FIT
1:1
100%

Артикул

Название

Примечание

Количество

1

87589947

HYDRAULIC VALVE

Fast Steering ASSY, Incl 2 - 22

1шт.

See Also Figure 41.200.CO (02)

1шт.

2

47128844

PLUG

ASSY, Incl 3, 4

2шт.

3

NSS

NOT SOLD SEPARAT

Plug, Incl in 2

1шт.

4

14457381

O-RING,17.12mm ID x 2.62" Width

1шт.

5

10269401

PLUG,Taper Thd, Hex Skt, M12 x 1.5 x 11mm, 4.8

1шт.

6

87705327

PLUG

2шт.

7

14305773

SCREW,M6 x 14mm

4шт.

8

47128848

FLANGE

1шт.

9

14453981

O-RING,0.989" ID x 0.07" Width

1шт.

10

47128851

PIN,Hex Socket, M8 x 25.00mm

ASSY, Incl 11, 12

1шт.

11

NSS

NOT SOLD SEPARAT

Plug, Incl in 10

1шт.

12

47129253

SEALING RING

1шт.

13

47128855

SPRING

1шт.

14

47128852

BUSHING

2шт.

15

87705323

SPOOL

1шт.

16

47128856

SPRING

1шт.

17

13804421

SET SCREW,Hex Skt, M5 x 6mm, Flat Pt

1шт.

18

47128841

PLUG

ASSY, Incl 19, 20

9шт.

19

14452980

O-RING,9.25mm ID x 1.78" Width

1шт.

20

NSS

NOT SOLD SEPARAT

Plug, Incl in 18

1шт.

21

87705325

VALVE

1шт.

22

87705326

VALVE SPRING

2шт.

Выбрано товаров: 23